Datasheet LT3650-8.2, LT3650-8.4 (Analog Devices) - 8
| Manufacturer | Analog Devices |
| Description | High Voltage 2 Amp Monolithic 2-Cell Li-Ion Battery Charger |
| Pages / Page | 22 / 8 — block DiagraM. TIMER. OSC. RIPPLE. COUNTER. CONTROL LOGIC |
| File Format / Size | PDF / 285 Kb |
| Document Language | English |
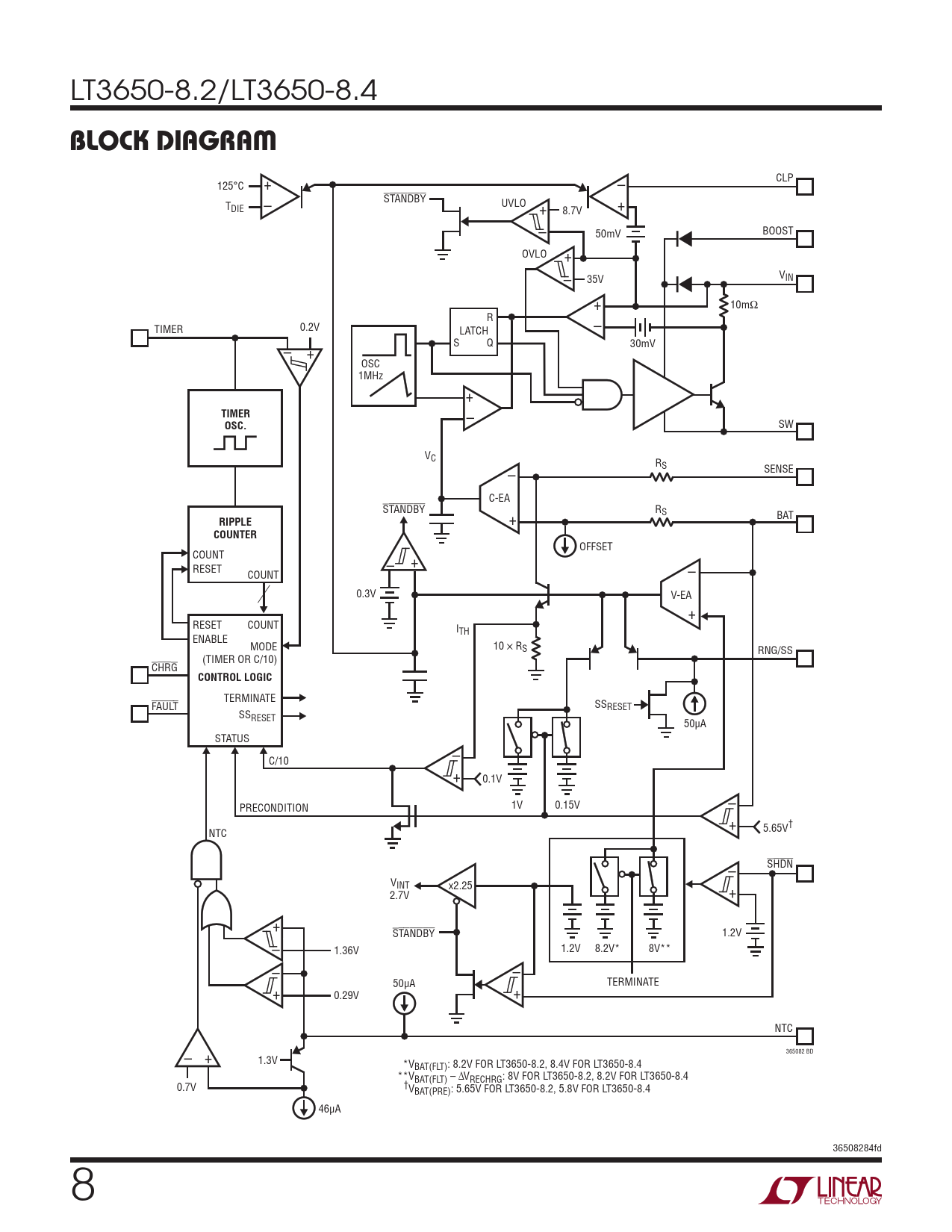
block DiagraM. TIMER. OSC. RIPPLE. COUNTER. CONTROL LOGIC

Model Line for this Datasheet
Text Version of Document
LT3650-8.2/LT3650-8.4
block DiagraM
125°C + – CLP STANDBY T + DIE – UVLO 8.7V + – 50mV BOOST OVLO + – 35V VIN + 10mΩ R TIMER 0.2V LATCH – – + S Q 30mV OSC 1MHz +
TIMER
–
OSC.
SW VC RS SENSE – C-EA STANDBY RS BAT
RIPPLE
+
COUNTER
OFFSET COUNT – + RESET COUNT – 0.3V V-EA + RESET COUNT ITH ENABLE MODE 10 × RS RNG/SS (TIMER OR C/10) CHRG
CONTROL LOGIC
TERMINATE FAULT SS RESET SSRESET 50µA STATUS – C/10 + 0.1V – PRECONDITION 1V 0.15V + 5.65V† NTC – SHDN VINT x2.25 + 2.7V + – STANDBY 1.2V 1.36V 1.2V 8.2V* 8V** – – + 50µA + TERMINATE 0.29V NTC 365082 BD – + 1.3V *VBAT(FLT): 8.2V FOR LT3650-8.2, 8.4V FOR LT3650-8.4 **VBAT(FLT) – ∆VRECHRG: 8V FOR LT3650-8.2, 8.2V FOR LT3650-8.4 † 0.7V VBAT(PRE): 5.65V FOR LT3650-8.2, 5.8V FOR LT3650-8.4 46µA 36508284fd 8 Document Outline Features Applications Description Typical Application Absolute Maximum Ratings Pin Configuration Order Information Electrical Characteristics Typical Performance Characteristics Pin Functions Block Diagram Operation Applications Information Typical Applications Package Description Revision History Typical Application Related Parts