Datasheet LTC4009, LTC4009-1, LTC4009-2 (Analog Devices) - 10
| Manufacturer | Analog Devices |
| Description | High Efficiency, Multi-Chemistry Battery Charger |
| Pages / Page | 28 / 10 — (LTC4009-1/LTC4009-2) |
| File Format / Size | PDF / 365 Kb |
| Document Language | English |
(LTC4009-1/LTC4009-2)

Model Line for this Datasheet
Text Version of Document
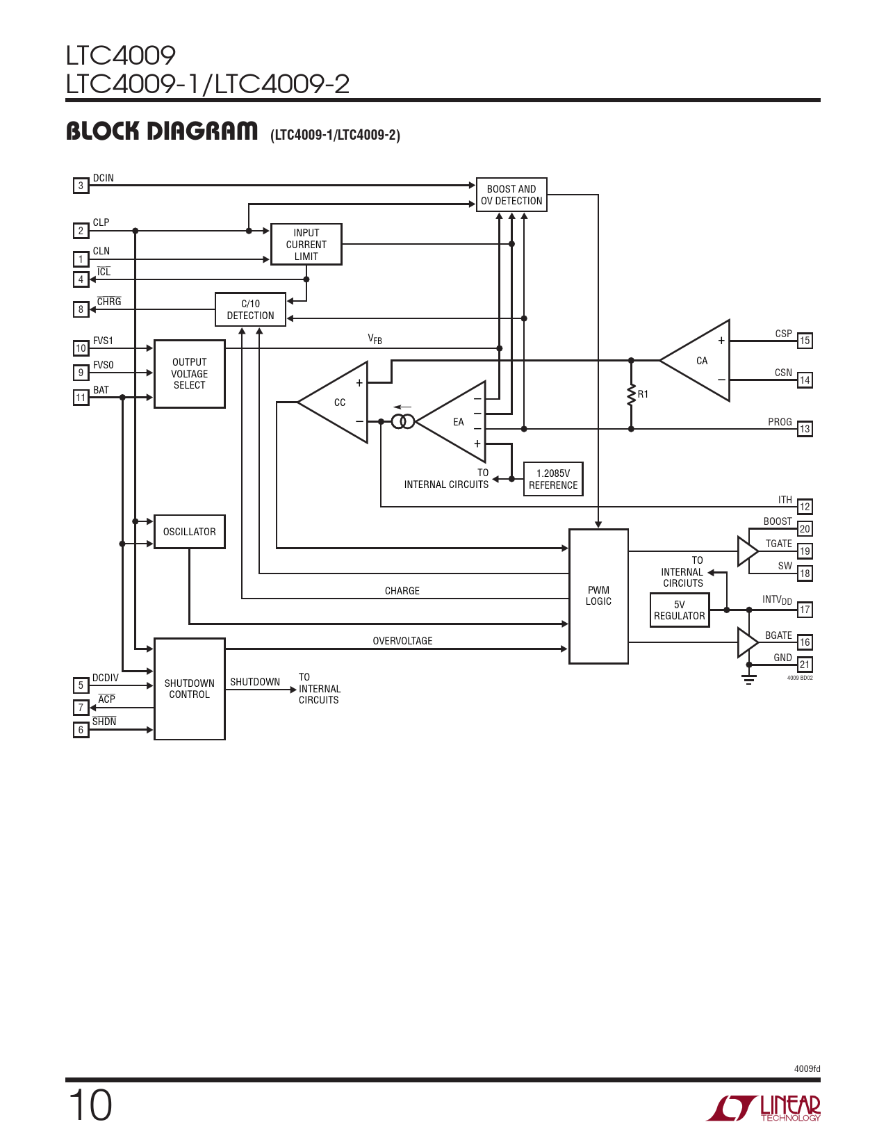
LTC4009 LTC4009-1/LTC4009-2 block DiagraM
(LTC4009-1/LTC4009-2)
DCIN 3 BOOST AND OV DETECTION CLP 2 INPUT CURRENT CLN LIMIT 1 ICL 4 CHRG C/10 8 DETECTION V CSP FVS1 FB + 15 10 OUTPUT CA FVS0 9 VOLTAGE CSN SELECT + – BAT – 14 R1 11 CC – – EA – PROG + 13 TO 1.2085V INTERNAL CIRCUITS REFERENCE ITH 12 BOOST OSCILLATOR 20 TGATE 19 TO SW INTERNAL 18 CIRCIUTS CHARGE PWM LOGIC 5V INTVDD REGULATOR 17 OVERVOLTAGE BGATE 16 GND 21 DCDIV SHUTDOWN TO SHUTDOWN 4009 BD02 5 CONTROL INTERNAL ACP CIRCUITS 7 SHDN 6 4009fd 0 Document Outline Features Applications Description Typical Application Absolute Maximum Ratings Pin Configuration Order Information Electrical Characteristics Test Circuits Typical Performance Characteristics Pin Functions Block Diagram Operation Applications Information Package Description Revision History Typical Application Related Parts