Datasheet LTC4001-1 (Analog Devices) - 7

ManufacturerAnalog Devices
Description2A Synchronous Buck Li-Ion Charger
Pages / Page20 / 7 — BLOCK DIAGRAM
File Format / SizePDF / 236 Kb
Document LanguageEnglish

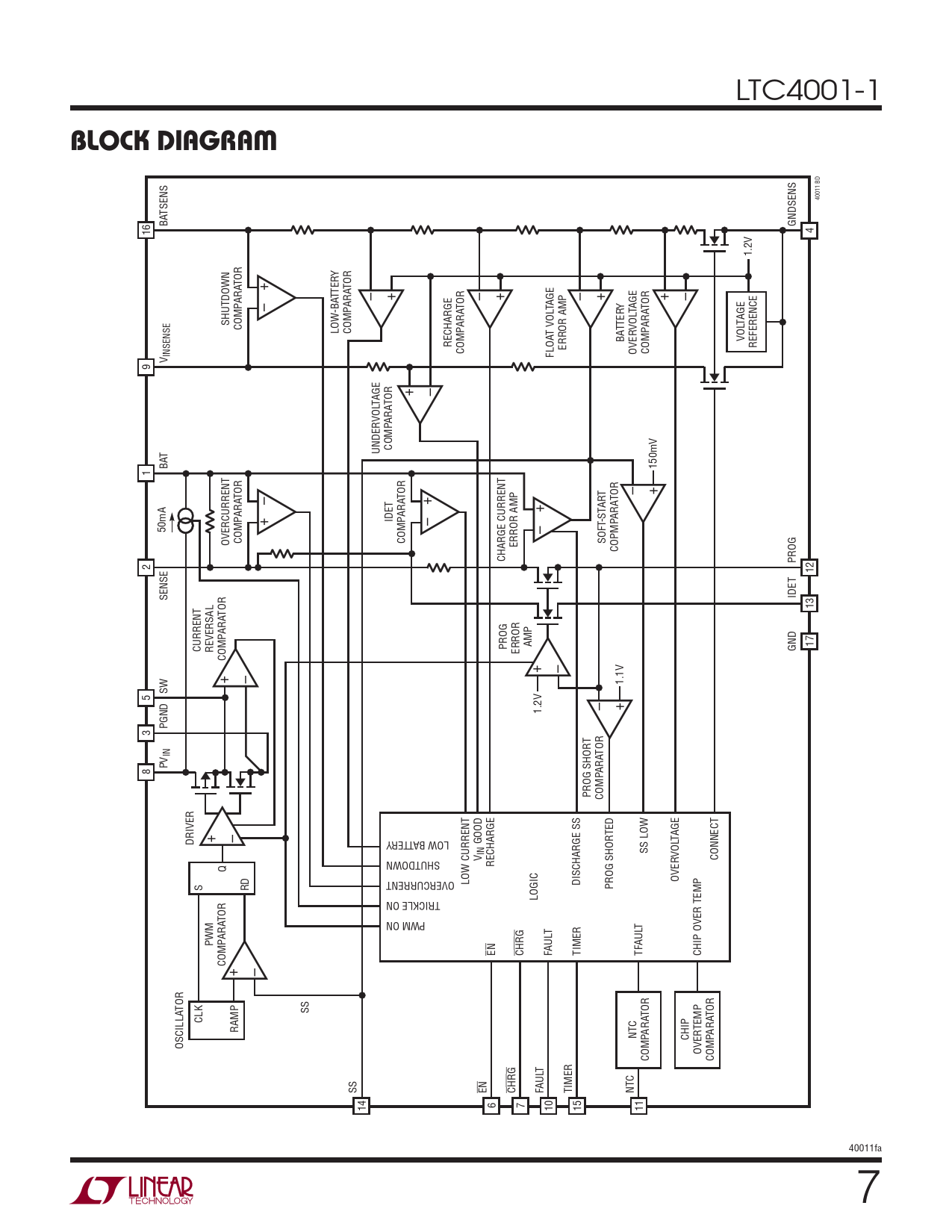
BLOCK DIAGRAM

BLOCK DIAGRAM

Model Line for this Datasheet

Text Version of Document

LTC4001-1
BLOCK DIAGRAM
40011 BD TSENS BA GNDSENS 4 16 1.2V Y TOR + TOR – + – + – + + – TTER ARA ARA TOR – TAGE Y -BA TAGE TOR SHUTDOWN TAGE ARA COMP TTER VOL ARA LOW COMP T VOL BA VOL RECHARGE REFERENCE ERROR AMP COMP OVER COMP INSENSE FLOA V 9 + – TAGE TOR VOL ARA UNDER COMP T BA 150mV 1 – + TOR T – TOR + TOR + AR ARA ARA + IDET – ARA 50mA – T-ST OVERCURRENT COMP COMP ERROR AMP SOF COPMP CHARGE CURRENT PROG 2 12 IDET SENSE 13 TOR ARA CURRENT AMP REVERSAL PROG ERROR GND 17 COMP + – + – 1.1V SW 5 – + 1.2V PGND 3 T IN TOR PV 8 ARA PROG SHOR COMP + – TED Y TER T LOW BA TAGE DRIVER GOOD IN SS LOW SHUTDOWN V VOL CONNECT RECHARGE Q OVERCURRENT LOW CURRENT DISCHARGE SS OVER S RD PROG SHOR TRICKLE ON LOGIC TOR WM ON P M T ARA LT PW U AUL EN CHRG FA TIMER TF CHIP OVER TEMP COMP + – TOR SS TOR TOR CLK TEMP RAMP ARA ARA NTC CHIP OSCILLA OVER COMP COMP T SS EN CHRG FAUL TIMER NTC 6 7 14 10 15 11 40011fa 7