Datasheet LTC4008 (Analog Devices) - 8
| Manufacturer | Analog Devices |
| Description | 4A, High Efficiency, Multi-Chemistry Battery Charger |
| Pages / Page | 24 / 8 — BLOCK DIAGRAM |
| Revision | C |
| File Format / Size | PDF / 237 Kb |
| Document Language | English |
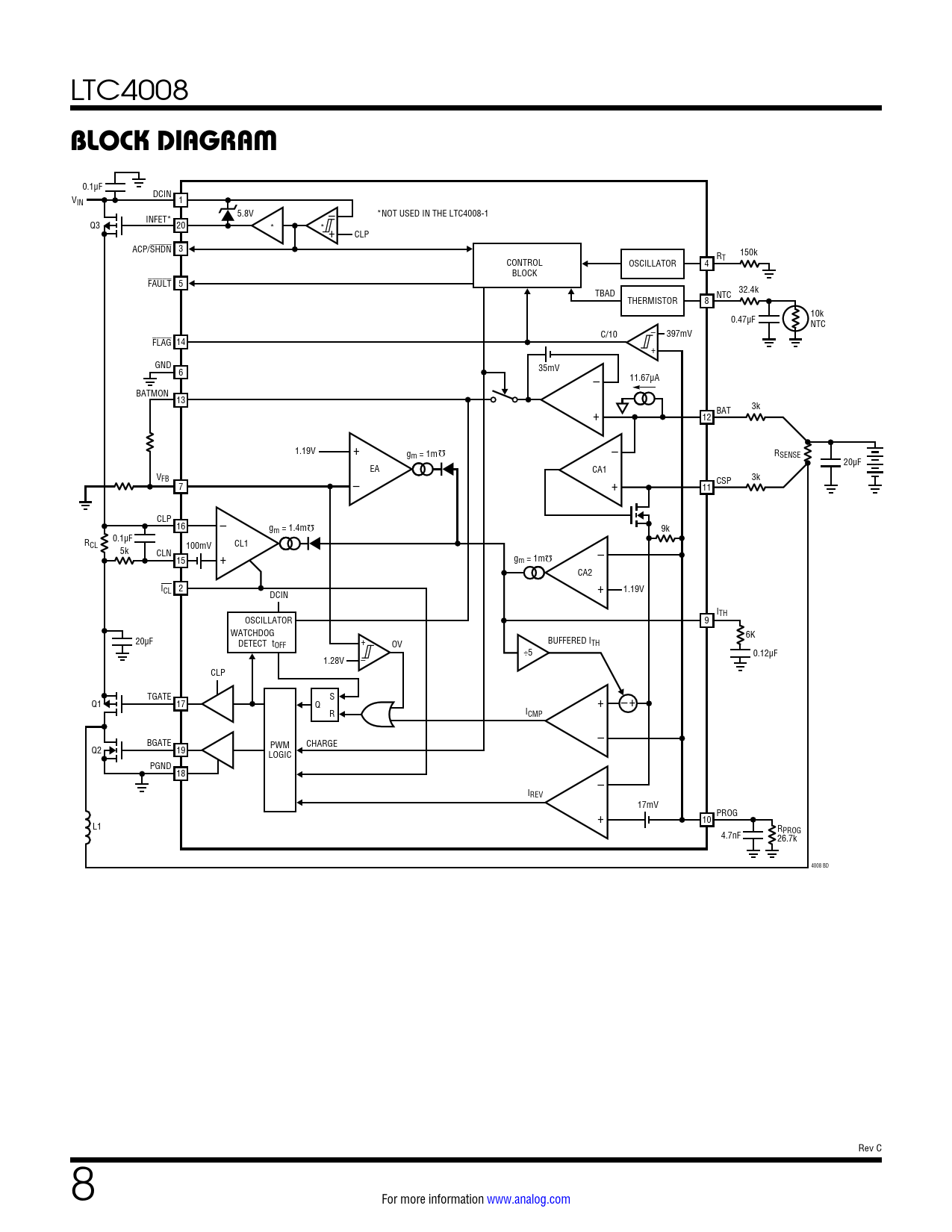
BLOCK DIAGRAM

Model Line for this Datasheet
Text Version of Document
LTC4008
BLOCK DIAGRAM
0.1µF DCIN VIN 1 5.8V *NOT USED IN THE LTC4008-1 INFET* – Q3 20 * * + CLP ACP/SHDN 3 R 150k T CONTROL OSCILLATOR 4 BLOCK FAULT 5 TBAD NTC 32.4k THERMISTOR 8 10k 0.47µF NTC C/10 – 397mV FLAG 14 + GND 6 35mV – 11.67µA BATMON 13 + BAT 3k 12 Ω – 1.19V + gm = 1m RSENSE 20µF EA CA1 VFB + CSP 3k 7 – 11 CLP 16 – Ω gm = 1.4m 9k 0.1µF RCL 100mV CL1 5k CLN + Ω g – 15 m = 1m CA2 ICL 2 + 1.19V DCIN ITH OSCILLATOR 9 WATCHDOG 6K 20µF DETECT t + BUFFERED I OFF OV TH ÷5 0.12µF 1.28V – CLP TGATE S + Q1 17 Q –+ R ICMP – BGATE CHARGE Q2 19 PWM LOGIC PGND 18 – IREV 17mV PROG + 10 L1 RPROG 4.7nF 26.7k 4008 BD Rev C 8 For more information www.analog.com Document Outline Description Typical Application Absolute Maximum Ratings Typical Performance Characteristics Pin Functions Block Diagram Operation Applications Information Package Description Typical Application Related Parts Features Applications Typical Application Description Absolute Maximum Ratings Pin Configuration Order Information Electrical Characteristics Typical Performance Characteristics Pin Functions Block Diagram Test Circuit Operation Applications Information Package Description Revision History Related Parts