Datasheet ADE7761B (Analog Devices) - 9

ManufacturerAnalog Devices
DescriptionEnergy Metering IC with On-Chip Fault and Missing Neutral Detection
Pages / Page24 / 9 — ADE7761B. TEST CIRCUIT. VDD. 10µF. 100nF. PS2501-1. 40A TO 80mA. 2kΩ. CF …
File Format / SizePDF / 535 Kb
Document LanguageEnglish

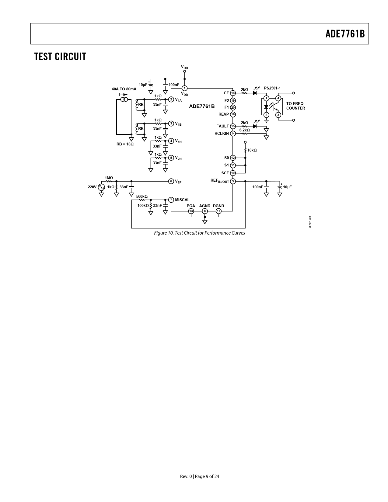
ADE7761B. TEST CIRCUIT. VDD. 10µF. 100nF. PS2501-1. 40A TO 80mA. 2kΩ. CF 18. 1kΩ. 2 V. F2 19. 33nF. TO FREQ. F1 20. COUNTER. REVP 16. 3 V. FAULT 15. 6.2kΩ

ADE7761B TEST CIRCUIT VDD 10µF 100nF PS2501-1 40A TO 80mA 2kΩ CF 18 1kΩ 2 V F2 19 33nF TO FREQ F1 20 COUNTER REVP 16 3 V FAULT 15 6.2kΩ

Model Line for this Datasheet

Text Version of Document

ADE7761B TEST CIRCUIT VDD + 10µF 100nF 1 PS2501-1 40A TO 80mA 2kΩ V I DD CF 18 1kΩ 2 V 1 4 1A F2 19 RB 33nF ADE7761B TO FREQ. F1 20 COUNTER REVP 16 2 3 1kΩ 3 V 2kΩ 1B FAULT 15 RB 33nF 6.2kΩ RCLKIN 14 1kΩ 4 V1N RB = 18Ω 33nF 10kΩ 1kΩ 5 V2N S0 12 33nF S1 11 SCF 10 1MΩ 6 V REF 2P IN/OUT 9 + 220V 1kΩ 33nF 100nF 10µF 560kΩ 7 MISCAL 100kΩ 33nF PGA AGND DGND 13 8 17
08 0 7- 79 06 Figure 10. Test Circuit for Performance Curves Rev. 0 | Page 9 of 24 Document Outline FEATURES GENERAL DESCRIPTION FUNCTIONAL BLOCK DIAGRAM TABLE OF CONTENTS REVISION HISTORY SPECIFICATIONS TIMING CHARACTERISTICS Timing Diagram ABSOLUTE MAXIMUM RATINGS PERFORMANCE ISSUES THAT MAY AFFECT BILLING ACCURACY Case 1 Case 2 ESD CAUTION PIN CONFIGURATION AND FUNCTION DESCRIPTIONS TYPICAL PERFORMANCE CHARACTERISTICS TEST CIRCUIT TERMINOLOGY THEORY OF OPERATION POWER SUPPLY MONITOR ANALOG INPUTS Channel V1 (Current Channel) Channel V2 (Voltage Channel) MISCAL Input Typical Connection Diagrams INTERNAL OSCILLATOR ANALOG-TO-DIGITAL CONVERSION Antialias Filter ACTIVE POWER CALCULATION Power Factor Considerations Nonsinusoidal Voltage and Current HPF and Offset Effects DIGITAL-TO-FREQUENCY CONVERSION TRANSFER FUNCTION Frequency Output F1 and Frequency Output F2 Frequency Output CF FAULT DETECTION Fault with Active Input Greater Than Inactive Input Fault with Inactive Input Greater Than Active Input Calibration Concerns MISSING NEUTRAL MODE Important Note for Billing of Active Energy Missing Neutral Detection Missing Neutral Gain Calibration APPLICATIONS INFORMATION INTERFACING TO A MICROCONTROLLER FOR ENERGY MEASUREMENT SELECTING A FREQUENCY FOR AN ENERGY METER APPLICATION Frequency Outputs No-Load Threshold NEGATIVE POWER INFORMATION OUTLINE DIMENSIONS ORDERING GUIDE