Datasheet LT8616 (Analog Devices) - 10
| Manufacturer | Analog Devices |
| Description | Dual 42V Synchronous Monolithic Step-Down Regulator with 6.5μA Quiescent Current |
| Pages / Page | 26 / 10 — BLOCK DIAGRAM |
| File Format / Size | PDF / 444 Kb |
| Document Language | English |
BLOCK DIAGRAM

Model Line for this Datasheet
Text Version of Document
LT8616
BLOCK DIAGRAM
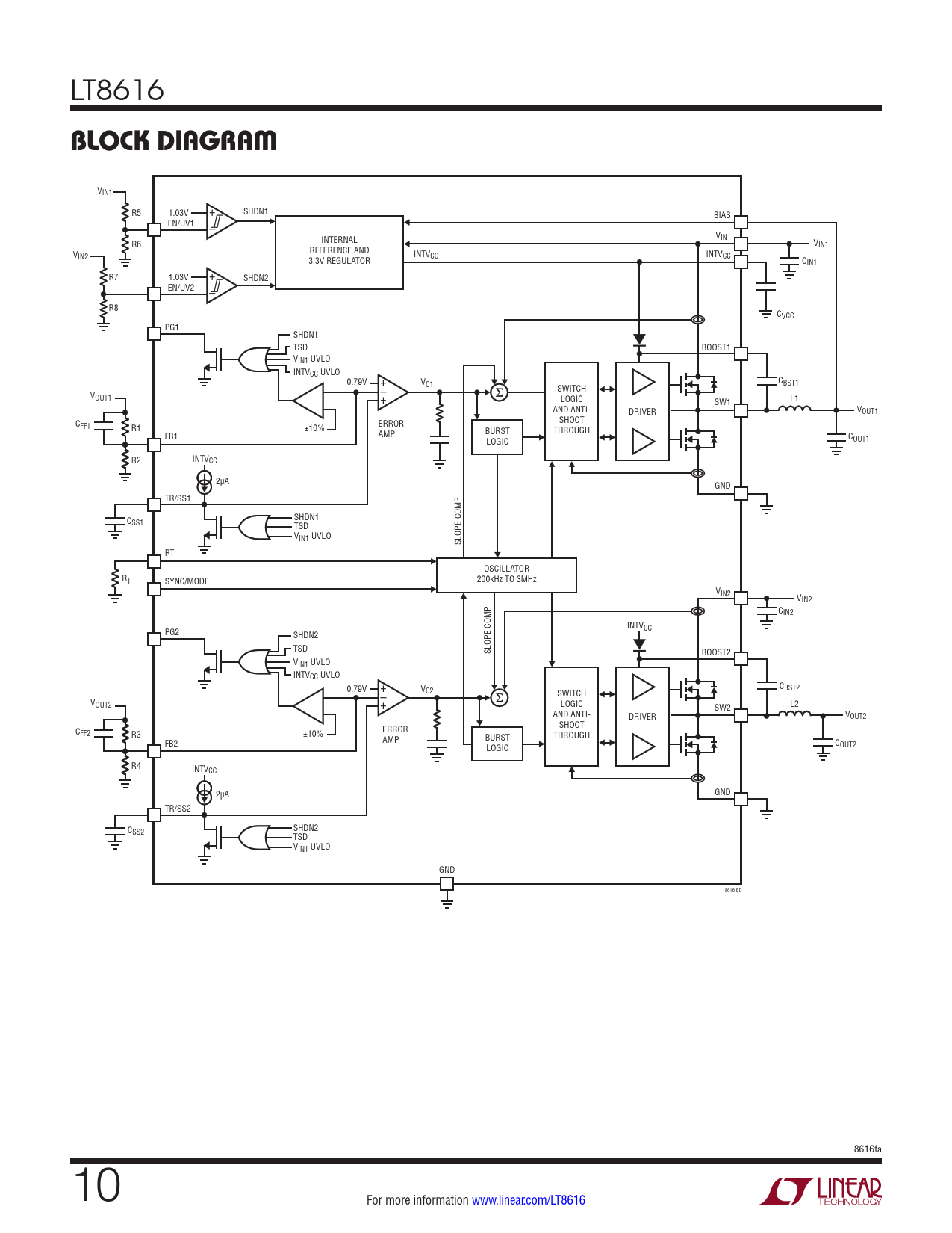
VIN1 R5 1.03V + SHDN1 BIAS EN/UV1 – INTERNAL VIN1 R6 VIN1 REFERENCE AND VIN2 INTV INTV 3.3V REGULATOR CC CC CIN1 R7 1.03V + SHDN2 EN/UV2 – R8 CVCC PG1 SHDN1 TSD BOOST1 VIN1 UVLO INTVCC UVLO 0.79V + VC1 CBST1 SWITCH VOUT1 +– LOGIC SW1 L1 AND ANTI- DRIVER VOUT1 SHOOT CFF1 R1 ±10% ERROR BURST THROUGH FB1 AMP LOGIC COUT1 R2 INTVCC 2µA GND TR/SS1 C SHDN1 SS1 TSD VIN1 UVLO SLOPE COMP RT OSCILLATOR RT 200kHz TO 3MHz SYNC/MODE VIN2 VIN2 CIN2 INTVCC PG2 SHDN2 TSD SLOPE COMP BOOST2 VIN1 UVLO INTVCC UVLO 0.79V + C V BST2 C2 SWITCH VOUT2 +– LOGIC L2 SW2 AND ANTI- V DRIVER OUT2 SHOOT CFF2 R3 ERROR ±10% BURST THROUGH FB2 AMP C LOGIC OUT2 R4 INTVCC 2µA GND TR/SS2 C SHDN2 SS2 TSD VIN1 UVLO GND 8616 BD 8616fa 10 For more information www.linear.com/LT8616