Datasheet LTC3857 (Analog Devices) - 10

ManufacturerAnalog Devices
DescriptionLow IQ, Dual, 2-Phase Synchronous Step-Down Controller
Pages / Page38 / 10 — FUNCTIONAL DIAGRAM
File Format / SizePDF / 453 Kb
Document LanguageEnglish

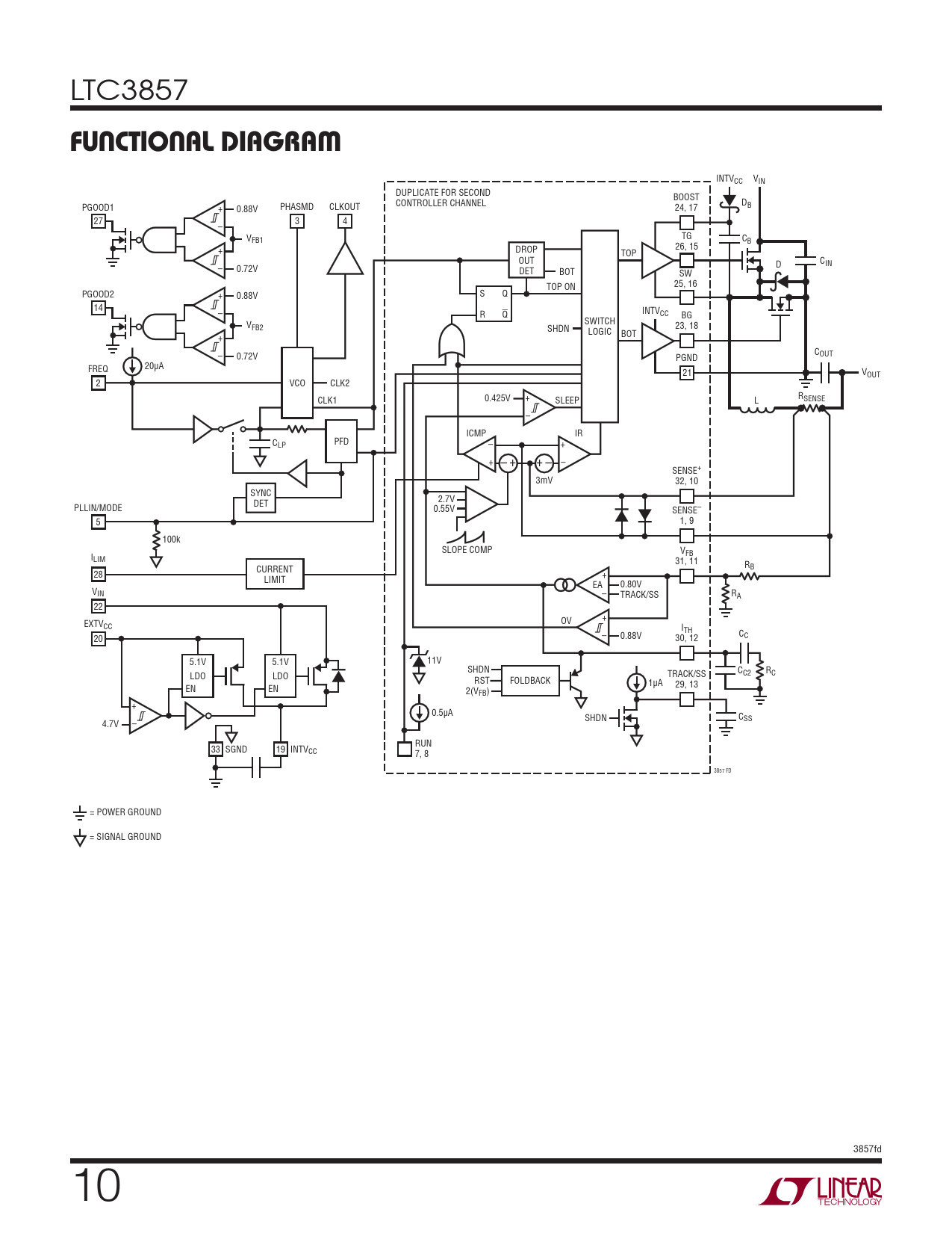
FUNCTIONAL DIAGRAM

FUNCTIONAL DIAGRAM

Model Line for this Datasheet

Text Version of Document

LTC3857
FUNCTIONAL DIAGRAM
INTVCC VIN DUPLICATE FOR SECOND BOOST + CONTROLLER CHANNEL D PGOOD1 0.88V PHASMD 24, 17 B CLKOUT 27 – 3 4 TG VFB1 CB + 26, 15 DROP TOP OUT C – IN D 0.72V DET BOT SW 25, 16 TOP ON + PGOOD2 S Q 0.88V 14 – INTVCC R Q BG V SWITCH FB2 23, 18 SHDN + LOGIC BOT – C 0.72V PGND OUT FREQ 20μA 21 VOUT 2 VCO CLK2 + R 0.425V SENSE CLK1 SLEEP L – ICMP IR – + CLP PFD + – – + + – SENSE+ 3mV 32, 10 SYNC 2.7V PLLIN/MODE DET 0.55V SENSE– 5 1, 9 100k SLOPE COMP VFB ILIM 31, 11 R CURRENT + B 28 LIMIT EA – 0.80V VIN R TRACK/SS A 22 + EXTV OV CC I – TH C 0.88V C 20 30, 12 11V 5.1V 5.1V SHDN C R C2 C TRACK/SS LDO LDO RST FOLDBACK 1μA 29, 13 EN EN 2(VFB) + 0.5μA – SHDN CSS 4.7V RUN 33 SGND 19 INTVCC 7, 8 3857 FD = POWER GROUND = SIGNAL GROUND 3857fd 10 Document Outline FEATURES DESCRIPTION APPLICATIONS TYPICAL APPLICATION ABSOLUTE MAXIMUM RATINGS PIN CONFIGURATION ORDER INFORMATION ELECTRICAL CHARACTERISTICS TYPICAL PERFORMANCE CHARACTERISTICS PIN FUNCTIONS FUNCTIONAL DIAGRAM OPERATION APPLICATIONS INFORMATION TYPICAL APPLICATIONS PACKAGE DESCRIPTION REVISION HISTORY TYPICAL APPLICATION RELATED PARTS