Datasheet LT6604-15 (Analog Devices) - 8
| Manufacturer | Analog Devices |
| Description | Dual Very Low Noise, Differential Amplifier and 15MHz Lowpass Filter |
| Pages / Page | 16 / 8 — BLOCK DIAGRAM |
| File Format / Size | PDF / 213 Kb |
| Document Language | English |
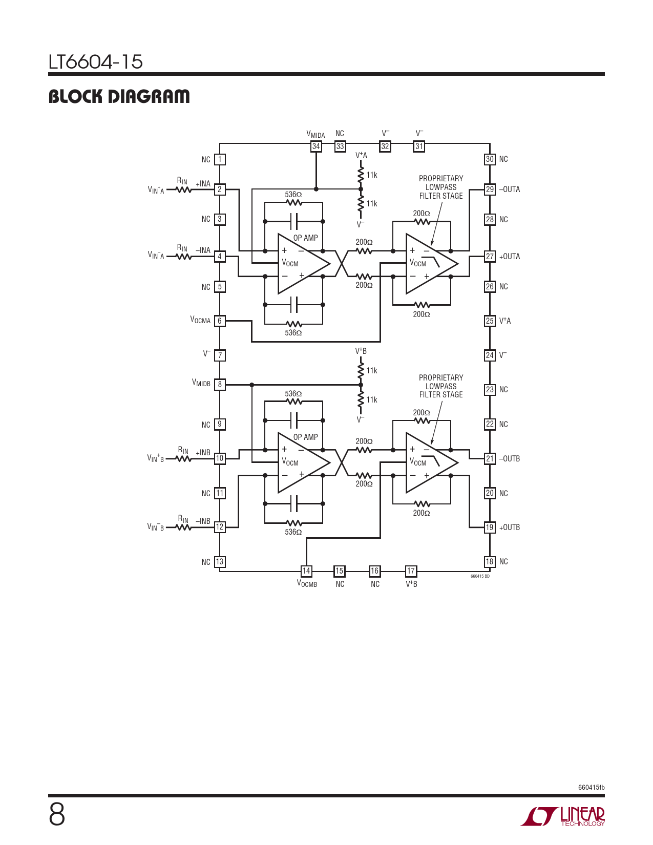
BLOCK DIAGRAM

Model Line for this Datasheet
Text Version of Document
LT6604-15
BLOCK DIAGRAM
NC V– V– VMIDA 34 33 32 31 V+A NC 1 30 NC 11k R PROPRIETARY IN +INA + LOWPASS VIN A 2 29 –OUTA 536Ω FILTER STAGE 11k 200Ω NC 3 28 NC V– OP AMP 200Ω RIN – –INA + – + – VIN A 4 27 +OUTA V V OCM OCM – + – + 200 NC 5 Ω 26 NC 200Ω VOCMA 6 25 V+A 536Ω V+B V– 7 24 V– 11k PROPRIETARY VMIDB 8 LOWPASS 23 NC 536Ω FILTER STAGE 11k 200Ω V– NC 9 22 NC OP AMP 200Ω R + – + IN +INB – V + IN B 10 21 –OUTB V V OCM OCM – + – + 200Ω NC 11 20 NC 200Ω RIN –INB V – IN B 12 19 +OUTB 536Ω NC 13 18 NC 14 15 16 17 660415 BD VOCMB NC NC V+B 660415fb 8