News
Articles
Biblio
Circuits
Datasheets
Sites
Devices
Prices
More
News
Articles
Biblio
Datasheets
Sites
Devices
e-Newsletter Subscription
Authors
Only-Datasheet.com
About us
For Authors
Cooperation
Advertising
Contacts
ru - Русский
de - Deutsch
es - Espanol
zh - 中文
Search
Datasheets
Datasheet LT6274, LT6275 (Analog …
Datasheet LT6274, LT6275 (Analog Devices) - 10
Manufacturer
Analog Devices
Description
Dual 90MHz, 2200V/µs 30V Low Power Op Amp
Pages / Page
20
/
10
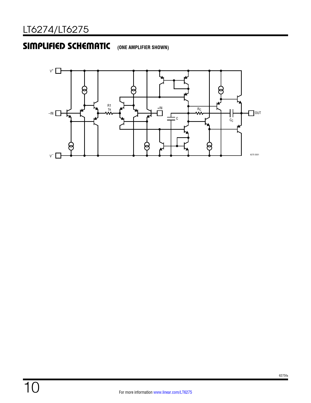
— SIMPLIFIED SCHEMATIC (ONE AMPLIFIER SHOWN)
File Format / Size
PDF
/
1.7 Mb
Document Language
English
SIMPLIFIED SCHEMATIC (ONE AMPLIFIER SHOWN)
1
2
3
...
8
9
10
Download PDF
1
2
3
...
8
9
10
Model Line for this Datasheet
LT6274
LT6274HS5#PBF
LT6274HS5#TRMPBF
LT6274HS5#TRPBF
LT6274IS5#PBF
LT6274IS5#TRMPBF
LT6274IS5#TRPBF
LT6275
LT6275HMS8#PBF
LT6275HMS8#TRPBF
LT6275IMS8#PBF
LT6275IMS8#TRPBF
Text Version of Document
LT6274/LT6275
SIMPLIFIED SCHEMATIC (ONE AMPLIFIER SHOWN)
V+ R1 +IN 1k RC –IN OUT C CC 6275 SS01 V– 6275fa 10 For more information www.linear.com/LT6275
Subscribe e-Newsletter to Stay Informed on New Materials of Our Website!
Slices
Microcontrollers
e-Newsletter Subscription
Contacts
Privacy Policy
Change Privacy Settings