Datasheet LT3507A (Analog Devices) - 8
| Manufacturer | Analog Devices |
| Description | Triple Monolithic Step-Down Regulator with LDO |
| Pages / Page | 30 / 8 — block DiagraM. Figure 1. LT3507A Block Diagram with Typical External … |
| File Format / Size | PDF / 398 Kb |
| Document Language | English |
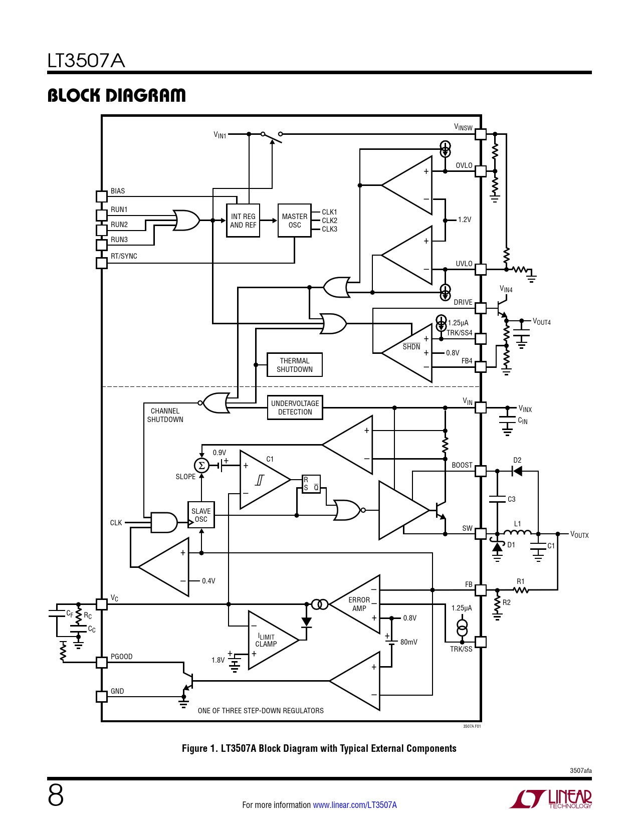
block DiagraM. Figure 1. LT3507A Block Diagram with Typical External Components

Model Line for this Datasheet
Text Version of Document
LT3507A
block DiagraM
VINSW VIN1 + OVLO BIAS – RUN1 CLK1 INT REG MASTER CLK2 1.2V RUN2 AND REF OSC CLK3 RUN3 + RT/SYNC – UVLO VIN4 DRIVE V 1.25µA OUT4 + TRK/SS4 SHDN + 0.8V THERMAL SHUTDOWN – FB4 V UNDERVOLTAGE IN VINX CHANNEL DETECTION SHUTDOWN CIN + 0.9V + C1 – + D2 BOOST SLOPE R – S Q C3 SLAVE CLK OSC SW L1 VOUTX D1 + C1 – 0.4V R1 – FB VC ERROR – R2 AMP 1.25µA CF RC – + 0.8V CC ILIMIT + + 80mV CLAMP TRK/SS + PGOOD 1.8V + GND – ONE OF THREE STEP-DOWN REGULATORS 3507A F01
Figure 1. LT3507A Block Diagram with Typical External Components
3507afa 8 For more information www.linear.com/LT3507A Document Outline Features Applications Description Typical Application Absolute Maximum Ratings Pin Configuration Order Information Electrical Characteristics Typical Performance Characteristics Pin Functions Block Diagram Operation Applications Information Typical Applications Package Description Package Description Typical Applications Related Parts