Datasheet LTC3616 (Analog Devices) - 10
| Manufacturer | Analog Devices |
| Description | 6A, 4MHz Monolithic Synchronous Step-Down DC/DC Converter |
| Pages / Page | 28 / 10 — FuncTional block DiagraM |
| File Format / Size | PDF / 541 Kb |
| Document Language | English |
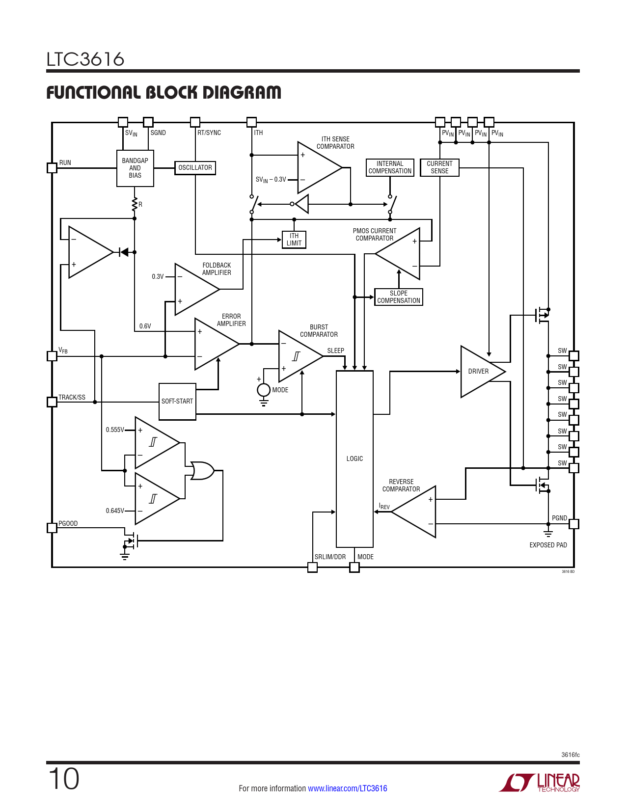
FuncTional block DiagraM

Model Line for this Datasheet
Text Version of Document
LTC3616
FuncTional block DiagraM
SVIN SGND RT/SYNC ITH PVIN PVIN PVIN PVIN ITH SENSE COMPARATOR + BANDGAP RUN INTERNAL CURRENT AND OSCILLATOR COMPENSATION SENSE BIAS SVIN – 0.3V – R – PMOS CURRENT ITH COMPARATOR LIMIT + + FOLDBACK – – AMPLIFIER 0.3V + SLOPE COMPENSATION ERROR AMPLIFIER 0.6V + BURST – COMPARATOR VFB – SLEEP SW + SW DRIVER + SW MODE TRACK/SS SOFT-START SW SW 0.555V + SW SW – LOGIC SW + REVERSE COMPARATOR + I 0.645V – REV PGND PGOOD – EXPOSED PAD SRLIM/DDR MODE 3616 BD 3616fc 10 For more information www.linear.com/LTC3616 Document Outline Features Applications Description Typical Application Absolute Maximum Ratings Pin Configuration Order Information Electrical Characteristics Typical Performance Characteristics Pin Functions Functional Block Diagram Operation Applications Information Typical Applications Package Description Revision History Typical Application Related Parts