Datasheet LTC3605 (Analog Devices) - 7

ManufacturerAnalog Devices
Description15V, 5A Synchronous Step-Down Regulator
Pages / Page22 / 7 — block DiagraM
File Format / SizePDF / 341 Kb
Document LanguageEnglish

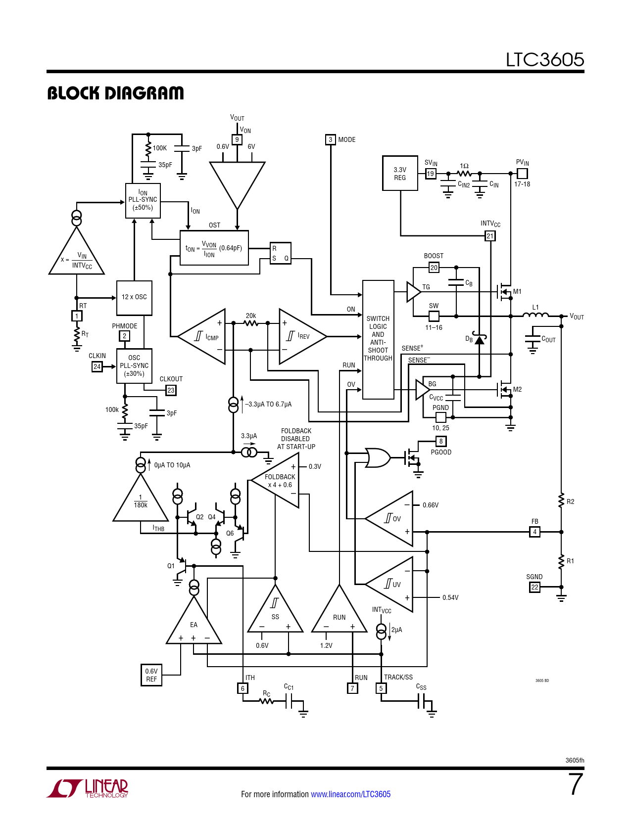
block DiagraM

block DiagraM

Model Line for this Datasheet

Text Version of Document

LTC3605
block DiagraM
VOUT VON 9 3 MODE 100K 3pF 0.6V 6V SV 35pF IN PVIN 3.3V 1Ω 19 REG CIN2 CIN 17-18 ION PLL-SYNC (±50%) ION INTV OST CC 21 V t VON ON = (0.64pF) R VIN IION BOOST x = S Q INTVCC 20 TG CB M1 12 x OSC RT ON SW L1 1 20k SWITCH VOUT + + PHMODE LOGIC 11–16 RT 2 AND ICMP IREV ANTI- D C B OUT – – SHOOT SENSE+ CLKIN OSC THROUGH SENSE– 24 PLL-SYNC RUN (±30%) CLKOUT OV BG 23 M2 CVCC –3.3µA TO 6.7µA PGND 100k 3pF 35pF 10, 25 FOLDBACK 3.3µA DISABLED 8 AT START-UP PGOOD 0µA TO 10µA + 0.3V FOLDBACK x 4 + 0.6 – 1 180k R2 – 0.66V Q2 Q4 OV FB ITHB Q6 + 4 R1 Q1 – SGND UV 22 + 0.54V INTVCC – SS + – RUN + EA + + – 2µA 0.6V 1.2V 0.6V ITH REF RUN TRACK/SS 3605 BD C 6 C1 C 7 5 SS RC 3605fh For more information www.linear.com/LTC3605 7 Document Outline Features Applications Typical Application Description Absolute Maximum Ratings Order Information Pin Configuration Electrical Characteristics Typical Performance Characteristics Pin Functions Block Diagram Operation Typical Applications Package Description Revision History Typical Application Related Parts