Datasheet LT3682 (Analog Devices) - 9
| Manufacturer | Analog Devices |
| Description | 1A Micropower Step-Down Switching Regulator |
| Pages / Page | 24 / 9 — BLOCK DIAGRAM |
| File Format / Size | PDF / 265 Kb |
| Document Language | English |
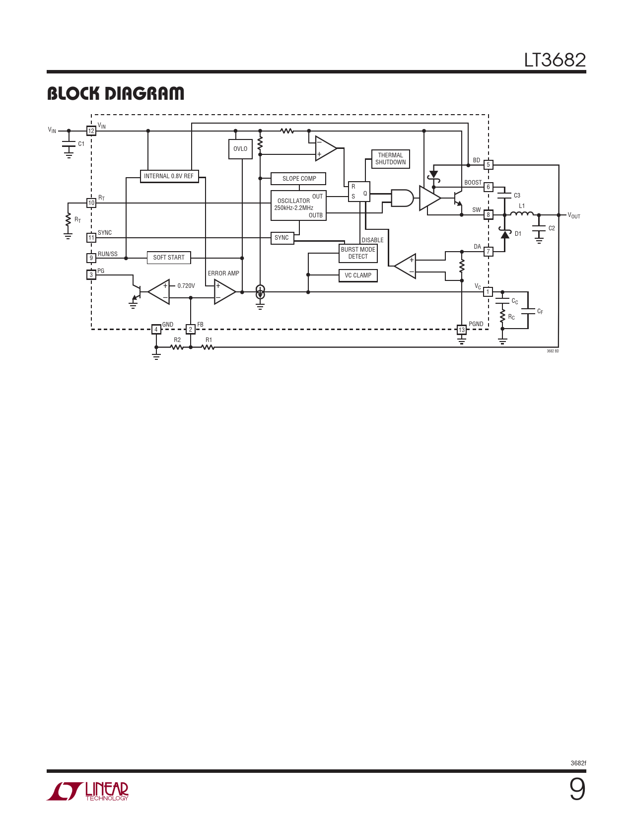
BLOCK DIAGRAM

Model Line for this Datasheet
Text Version of Document
LT3682
BLOCK DIAGRAM
VIN VIN 12 – C1 OVLO + THERMAL SHUTDOWN BD 5 INTERNAL 0.8V REF SLOPE COMP BOOST R 6 R S Q C3 T OUT OSCILLATOR 10 250kHz-2.2MHz L1 SW OUTB 8 VOUT RT C2 SYNC D1 11 SYNC DISABLE DA BURST MODE RUN/SS 7 9 SOFT START DETECT + PG ERROR AMP – 3 VC CLAMP + 0.720V + VC 1 – – CC CF RC GND FB PGND 4 2 13 R2 R1 3682 BD 3682f 9