Datasheet ACS711 (Allegro) - 3
| Manufacturer | Allegro |
| Description | Hall Effect Linear Current Sensor with Overcurrent Fault Output for <100 V Isolation Applications |
| Pages / Page | 18 / 3 — Hall-Effect Linear Current Sensor with. ACS711. Overcurrent Fault Output … |
| File Format / Size | PDF / 1.1 Mb |
| Document Language | English |
Hall-Effect Linear Current Sensor with. ACS711. Overcurrent Fault Output for < 100 V Isolation Applications

Model Line for this Datasheet
Text Version of Document
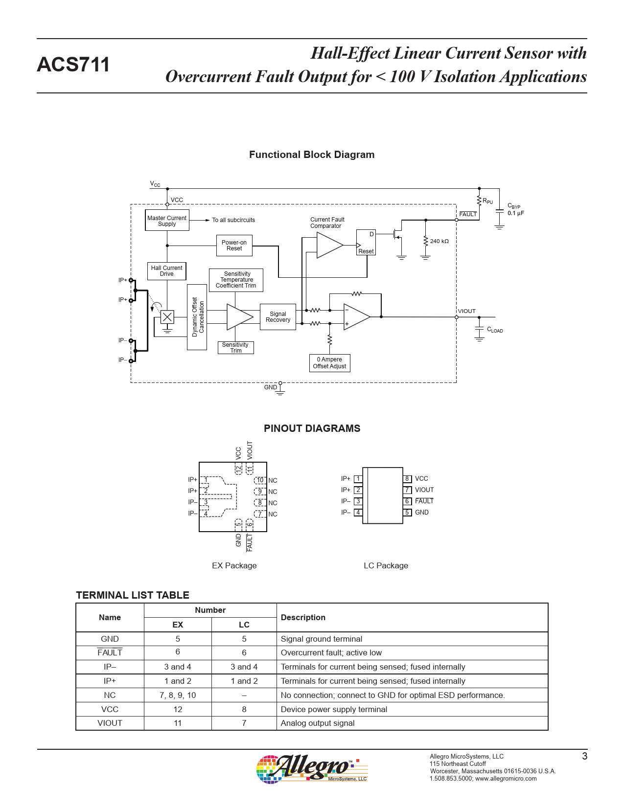
Hall-Effect Linear Current Sensor with ACS711 Overcurrent Fault Output for < 100 V Isolation Applications Functional Block Diagram
VCC VCC RPU CBYP FAULT Master Current To all subcircuits Current Fault Supply Comparator D 240 kΩ Power-on Reset Reset Hall Current Drive Sensitivity IP+ T emperature Coefficient Trim IP+ fset VIOUT Signal Recovery C Dynamic Of Cancellation LOAD IP− Sensitivity Trim IP− 0 Ampere Offset Adjust GND
PINOUT DIAGRAMS
VCC VIOUT 12 11 IP+ 1 10 IP+ 1 8 VCC NC IP+ 2 9 IP+ 2 7 VIOUT NC IP– 3 IP– 3 6 FAULT 8 NC IP– 4 IP– 4 5 GND 7 NC 5 6 T GND FAUL EX Package LC Package
TERMINAL LIST TABLE Number Name Description EX LC
GND 5 5 Signal ground terminal ¯F ¯A ¯U ¯L ¯T 6 6 Overcurrent fault; active low IP– 3 and 4 3 and 4 Terminals for current being sensed; fused internally IP+ 1 and 2 1 and 2 Terminals for current being sensed; fused internally NC 7, 8, 9, 10 – No connection; connect to GND for optimal ESD performance. VCC 12 8 Device power supply terminal VIOUT 11 7 Analog output signal Allegro MicroSystems, LLC 3 115 Northeast Cutoff Worcester, Massachusetts 01615-0036 U.S.A. 1.508.853.5000; www.allegromicro.com