Datasheet LT8711 (Analog Devices) - 9
| Manufacturer | Analog Devices |
| Description | Micropower Synchronous Multitopology Controller with 42V Input Capability |
| Pages / Page | 38 / 9 — BLOCK DIAGRAM |
| Revision | A |
| File Format / Size | PDF / 1.1 Mb |
| Document Language | English |
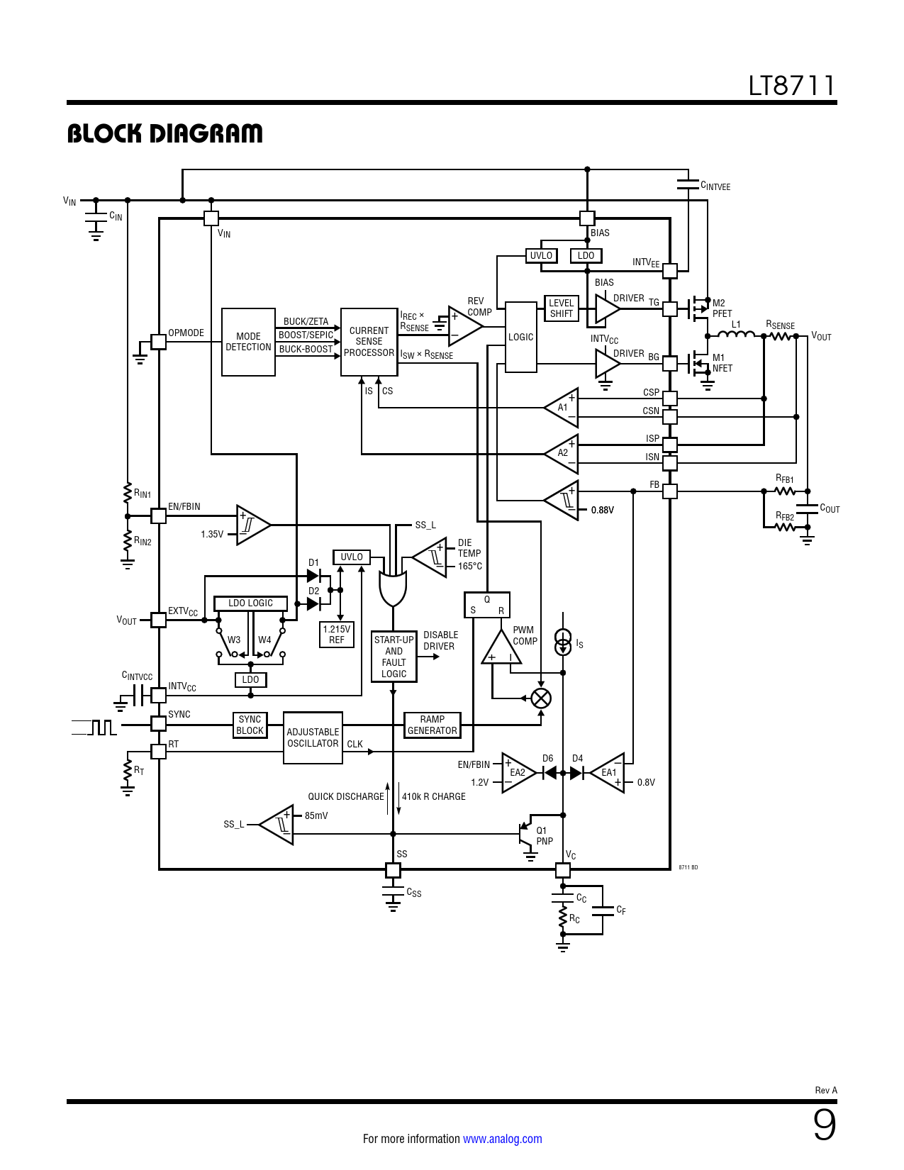
BLOCK DIAGRAM

Model Line for this Datasheet
Text Version of Document
LT8711
BLOCK DIAGRAM
CINTVEE VIN CIN VIN BIAS UVLO LDO INTVEE BIAS REV DRIVER LEVEL TG M2 IREC × + COMP SHIFT PFET BUCK/ZETA RSENSE L1 RSENSE OPMODE MODE BOOST/SEPIC CURRENT – LOGIC INTV V SENSE CC OUT DETECTION BUCK-BOOST PROCESSOR I DRIVER SW × RSENSE BG M1 NFET IS CS + CSP A1 – CSN + ISP A2 – ISN RFB1 R + FB IN1 EN/FBIN – C 0.88V + R OUT FB2 SS_L 1.35V – RIN2 + DIE UVLO TEMP D1 – 165°C D2 LDO LOGIC Q EXTVCC S R VOUT 1.215V PWM W3 W4 REF START-UP DISABLE COMP I DRIVER S AND + – FAULT CINTVCC LDO LOGIC INTVCC SYNC SYNC RAMP BLOCK ADJUSTABLE GENERATOR RT OSCILLATOR CLK D6 D4 – EN/FBIN + RT EA2 EA1 + 1.2V – 0.8V QUICK DISCHARGE 410k R CHARGE + 85mV SS_L Q1 – PNP SS VC 8711 BD CSS CC CF RC Rev A For more information www.analog.com 9 Document Outline Features Applications Typical Application Description Absolute Maximum Ratings Pin Configuration Order Information Electrical Characteristics Typical Performance Characteristics Pin Functions Block Diagram Start-Up and Fault Sequence Operation Applications Information Appendix Typical Applications Package Description Typical Application Related Parts