Datasheet SUP90P06-09L (Vishay) - 6

ManufacturerVishay
DescriptionP-Channel 60 V (D-S) 175 °C MOSFET
Pages / Page7 / 6 — Package Information. TO-220AB. MILLIMETERS. INCHES. DIM. MIN. MAX. Note
RevisionB
File Format / SizePDF / 106 Kb
Document LanguageEnglish

Package Information. TO-220AB. MILLIMETERS. INCHES. DIM. MIN. MAX. Note

Package Information TO-220AB MILLIMETERS INCHES DIM MIN MAX Note

Model Line for this Datasheet

Text Version of Document

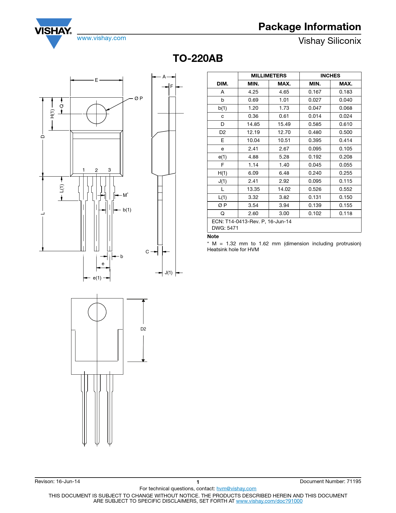
Package Information
www.vishay.com Vishay Siliconix
TO-220AB
A
MILLIMETERS INCHES
E
DIM. MIN. MAX. MIN. MAX.
F A 4.25 4.65 0.167 0.183 Ø P b 0.69 1.01 0.027 0.040 Q b(1) 1.20 1.73 0.047 0.068 H(1) c 0.36 0.61 0.014 0.024 D 14.85 15.49 0.585 0.610 D2 12.19 12.70 0.480 0.500 D E 10.04 10.51 0.395 0.414 e 2.41 2.67 0.095 0.105 e(1) 4.88 5.28 0.192 0.208 F 1.14 1.40 0.045 0.055 1 2 3 H(1) 6.09 6.48 0.240 0.255 J(1) 2.41 2.92 0.095 0.115 L(1) L 13.35 14.02 0.526 0.552 M* L(1) 3.32 3.82 0.131 0.150 Ø P 3.54 3.94 0.139 0.155 b(1) L Q 2.60 3.00 0.102 0.118 ECN: T14-0413-Rev. P, 16-Jun-14 DWG: 5471
Note
* M = 1.32 mm to 1.62 mm (dimension including protrusion) Heatsink hole for HVM C b e J(1) e(1) D2 Revison: 16-Jun-14
1
Document Number: 71195 For technical questions, contact: hvm@vishay.com THIS DOCUMENT IS SUBJECT TO CHANGE WITHOUT NOTICE. THE PRODUCTS DESCRIBED HEREIN AND THIS DOCUMENT ARE SUBJECT TO SPECIFIC DISCLAIMERS, SET FORTH AT www.vishay.com/doc?91000