Datasheet TCR5BM (Toshiba) - 4
| Manufacturer | Toshiba |
| Description | Low Dropout (LDO) Linear Voltage Regulator |
| Pages / Page | 11 / 4 — TCR5BM series. Block Diagram. VIN. VOUT. Under. *Option. voltage. VBIAS. … |
| File Format / Size | PDF / 719 Kb |
| Document Language | English |
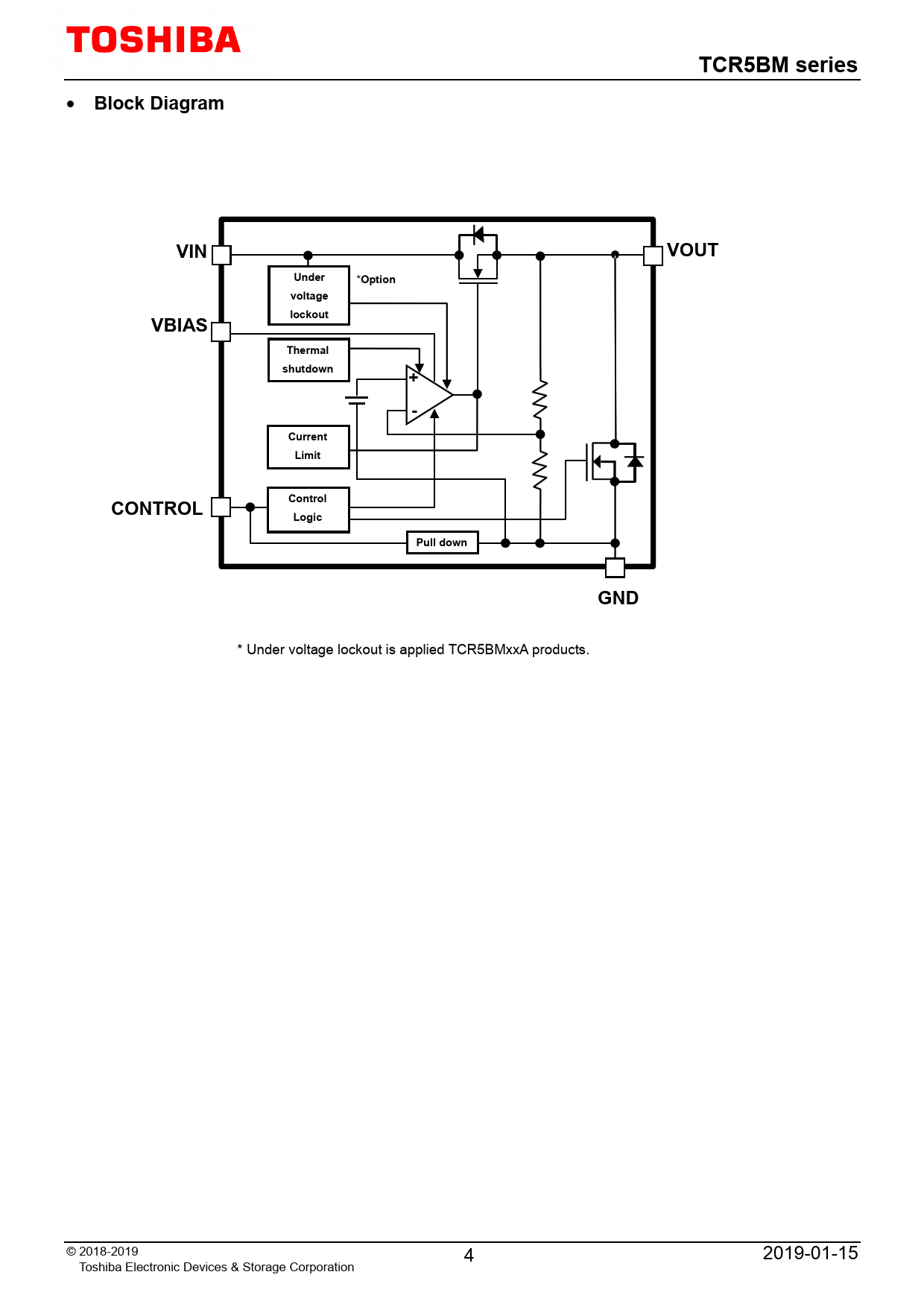
TCR5BM series. Block Diagram. VIN. VOUT. Under. *Option. voltage. VBIAS. lockout. Thermal. shutdown. Current. Limit. CONTROL. Control. Logic. Pull down

Model Line for this Datasheet
Text Version of Document
TCR5BM series
•
Block Diagram VIN VOUT Under *Option voltage VBIAS lockout Thermal shutdown + - Current Limit CONTROL Control Logic Pull down GND
* Under voltage lockout is applied TCR5BMxxA products. © 2018-2019 4 2019-01-15 Toshiba Electronic Devices & Storage Corporation