Datasheet BCR601 (Infineon) - 5

ManufacturerInfineon
Description60V linear LED controller IC with voltage feedback to primary side / Active Headroom Control
Pages / Page16 / 5 — BCR601 hot plug IC with voltage feedback to primary side. Functional …
Revision01_01
File Format / SizePDF / 380 Kb
Document LanguageEnglish

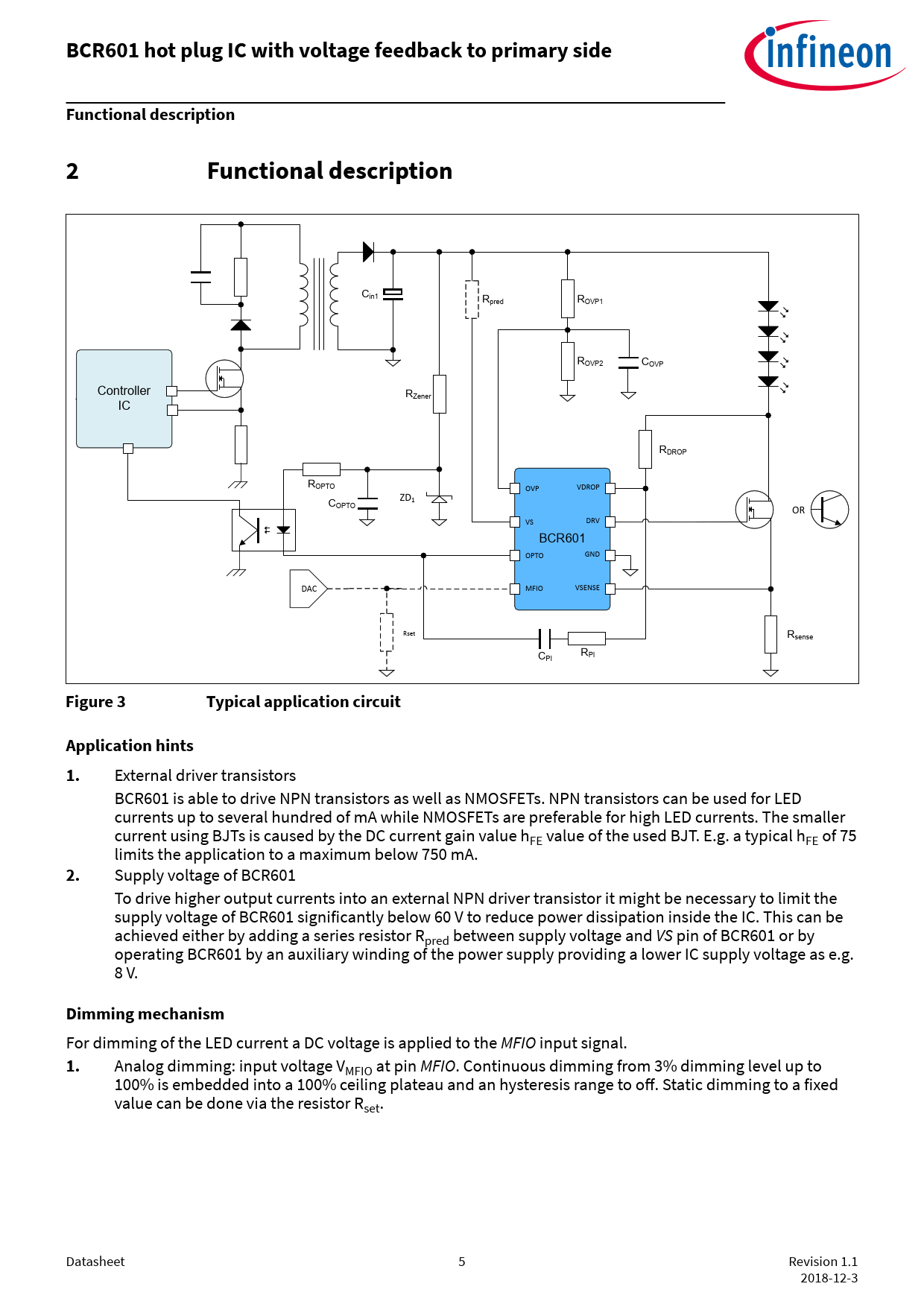
BCR601 hot plug IC with voltage feedback to primary side. Functional description. Figure 3. Typical application circuit

BCR601 hot plug IC with voltage feedback to primary side Functional description Figure 3 Typical application circuit

Model Line for this Datasheet

Text Version of Document

BCR601 hot plug IC with voltage feedback to primary side Functional description 2 Functional description
Cin1 Rpred ROVP1 ROVP2 COVP Controller RZener IC RDROP ROPTO OVP VDROP ZD C 1 OPTO OR VS DRV BCR601 OPTO GND DAC MFIO VSENSE Rset Rsense C R PI PI
Figure 3 Typical application circuit Application hints 1.
External driver transistors BCR601 is able to drive NPN transistors as well as NMOSFETs. NPN transistors can be used for LED currents up to several hundred of mA while NMOSFETs are preferable for high LED currents. The smaller current using BJTs is caused by the DC current gain value hFE value of the used BJT. E.g. a typical hFE of 75 limits the application to a maximum below 750 mA.
2.
Supply voltage of BCR601 To drive higher output currents into an external NPN driver transistor it might be necessary to limit the supply voltage of BCR601 significantly below 60 V to reduce power dissipation inside the IC. This can be achieved either by adding a series resistor Rpred between supply voltage and VS pin of BCR601 or by operating BCR601 by an auxiliary winding of the power supply providing a lower IC supply voltage as e.g. 8 V.
Dimming mechanism
For dimming of the LED current a DC voltage is applied to the MFIO input signal.
1.
Analog dimming: input voltage VMFIO at pin MFIO. Continuous dimming from 3% dimming level up to 100% is embedded into a 100% ceiling plateau and an hysteresis range to off. Static dimming to a fixed value can be done via the resistor Rset. Datasheet 5 Revision 1.1 2018-12-3 Document Outline Features Protection features Target applications Advantages with respect to discrete solutions Product validation Device information Description Table of contents 1 Pin configuration 2 Functional description 3 Thermal characteristics 4 Absolute maximum ratings 5 Operating conditions 6 Electrical characteristics 7 Package information 8 References Revision history Disclaimer