Datasheet TC78B041FNG, TC78B042FTG (Toshiba) - 39

ManufacturerToshiba
DescriptionSinewave PWM brushless motor control / Auto lead angle function. Brushless motor driver IC
Pages / Page44 / 39 — Application circuit example
File Format / SizePDF / 585 Kb
Document LanguageEnglish

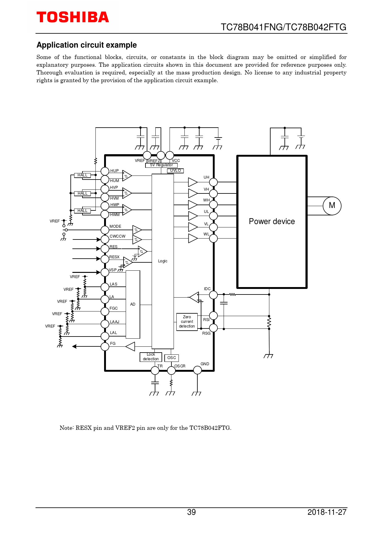
Application circuit example

Application circuit example

Model Line for this Datasheet

Text Version of Document

TC78B041FNG/TC78B042FTG
Application circuit example
Some of the functional blocks, circuits, or constants in the block diagram may be omitted or simplified for explanatory purposes. The application circuits shown in this document are provided for reference purposes only. Thorough evaluation is required, especially at the mass production design. No license to any industrial property rights is granted by the provision of the application circuit example. VREF VREF2 VCC 5V Regulator HUP UVLO HALL UH HUM HVP VH HALL HVM WH HWP M HALL UL HWM VREF Power device VL MODE WL CWCCW RES RESX Logic VSP VREF LAS IDC VREF LA VREF AD FGC VREF Zero RSI LAAJ current VREF detection LAL RSG FG Lock OSC detection GND TR OSCR Note: RESX pin and VREF2 pin are only for the TC78B042FTG. 39 2018-11-27