Datasheet AK5704 (Asahi Kasei Microdevices) - 4
| Manufacturer | Asahi Kasei Microdevices |
| Description | Low-Power 4-ch 32-bit ADC with MIC-Amp |
| Pages / Page | 109 / 4 — 4. Block Diagram |
| File Format / Size | PDF / 4.5 Mb |
| Document Language | English |
4. Block Diagram

Model Line for this Datasheet
Text Version of Document
[AK5704]
4. Block Diagram
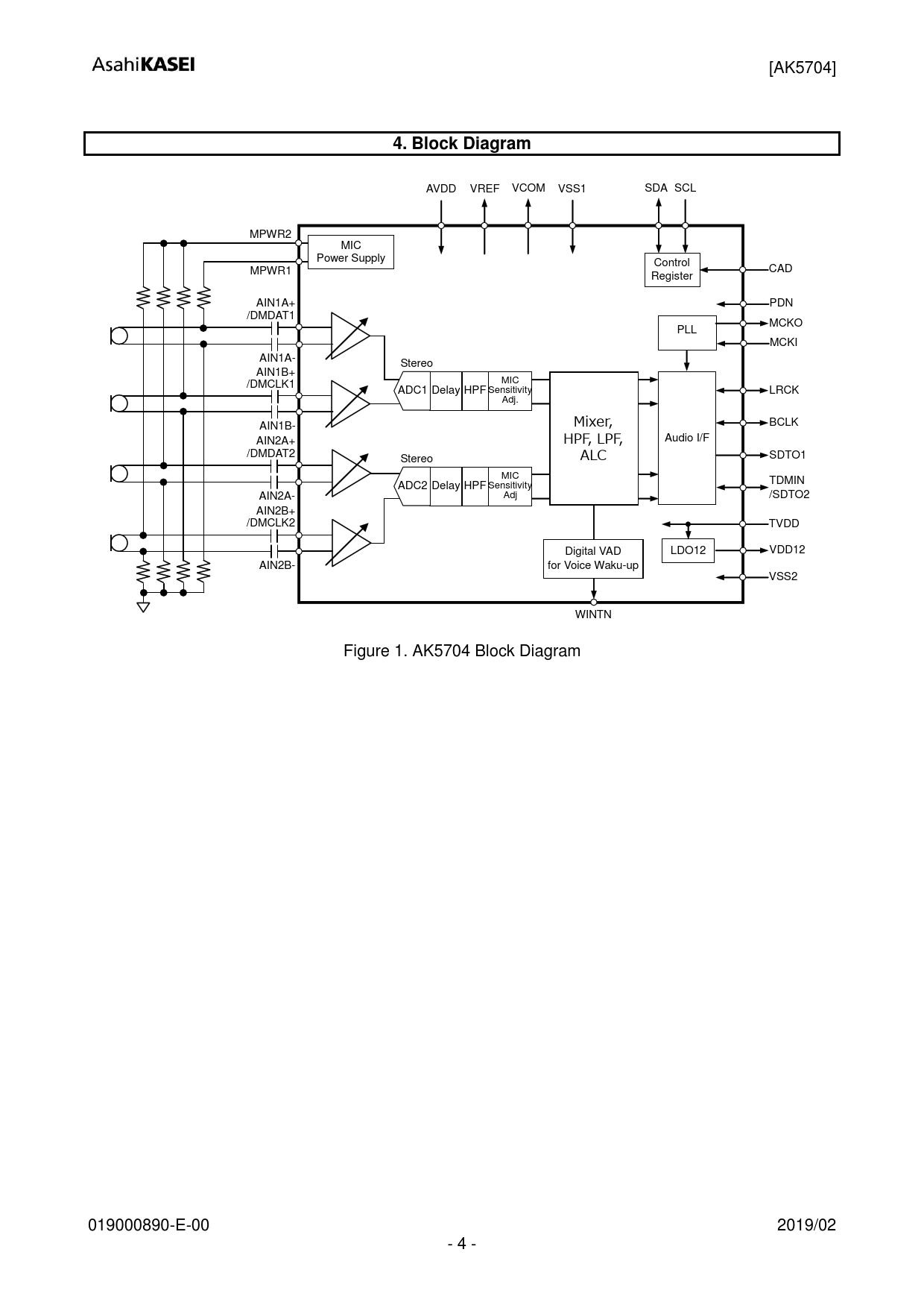
AVDD VREF VCOM VSS1 SDA SCL MPWR2 MIC Power Supply Control MPWR1 CAD Register AIN1A+ PDN /DMDAT1 MCKO PLL MCKI AIN1A- Stereo AIN1B+ MIC /DMCLK1 ADC1 Delay HPF Sensitivity LRCK Adj. Mixer, BCLK AIN1B- AIN2A+ HPF, LPF, Audio I/F /DMDAT2 ALC SDTO1 Stereo MIC TDMIN ADC2 Delay HPF Sensitivity AIN2A- Adj /SDTO2 AIN2B+ /DMCLK2 TVDD Digital VAD LDO12 VDD12 AIN2B- for Voice Waku-up VSS2 WINTN Figure 1. AK5704 Block Diagram 019000890-E-00 2019/02 - 4 - Document Outline 1. General Description 2. Features 3. Table of Contents 4. Block Diagram 5. Pin Configurations and Functions 5.1. Pin Configurations 5.2. Functions 5.3. Handling of Unused Pin 5.4. Pin State In Power-down Mode 6. Absolute Maximum Ratings 7. Recommended Operating Conditions 8. Electrical Characteristics 8.1. Microphone & ADC Analog Characteristics (AVDD=3.3V: AVDDL bit = “0”) 8.2. Microphone & ADC Analog Characteristics (AVDD=1.8V: AVDDL bit = “1”) 8.3. Power Supply Current 8.4. Power Consumption for Each Operation Mode 8.5. ADC1/2 Short Delay Sharp Roll-off Filter (ADVF bit = “0”) 8.6. ADC1/2 Digital Filter for Voice (ADVF bit = “1”) 8.7. DC Characteristics 8.8. Switching Characteristics 9. Functional Descriptions 9.1. Internal Pull-down Pin 9.2. LDO Circuit 9.3. System Clock 9.4. PLL 1. PLL Output Frequency (MCKO pin) 2. BCLK Output Frequency 3. Internal Block Diagram of PLL (3-1) PLL Reference Clock Divider (PLD) (3-2) PLL Feedback Clock Divider (PLM) 4. Adaptive Frequencies 5. Example of PLL Frequency Setting 9.5. Audio Interface Format 9.6. Synchronization with audio system (SYNCDET) 9.7. MIC/LINE Input 9.8. Microphone Amplifier Gain 9.9. Microphone Power 9.10. MIC Input Start-Up Time 9.11. ADC1/2 Initialization Cycle 9.12. Mono/Stereo Mode 9.13. Digital Microphone 9.14. Digital Block 9.14.1. Programmable Phase Adjustment 9.14.2. High Pass Filter (ADC1/2) 9.14.3. ADC1/2 Digital Filter 9.14.4. Microphone Sensitivity Adjustment 9.14.5. Monaural (MIX) Selection 9.14.6. High Pass Filter (HPF1/2) 9.14.7. Low Pass Filter (LPF1/2) 9.14.8. ALC Operation 9.14.9. Input Digital Volume (Manual Mode) 9.14.10. ALC 4ch Link Mode Sequence 9.15. Digital Voice Activity Detector 9.15.1. VDLY 9.15.2. HPF, LPF 9.15.3. ABS 9.15.4. NLD (Noise Level Detector) 9.15.5. MAX 9.15.6. MULT (X) 9.15.7. Comparator (>) 9.15.8. Guard Timer 9.15.9. Interrupt Output (WINTN pin) 9.15.10. Output Selector 9.16. I2C-bus Control Interface 9.17. Register Map 9.18. Register Definition 10. Recommended External Circuits 11. Control Sequence 11.1. Clock Set Up 11.1.1. PLL Master Mode 11.1.2. PLL Slave Mode (BCLK pin) 11.1.3. PLL Slave Mode (MCKI pin) 11.1.4. External Slave Mode 11.1.5. External Master Mode 11.2. Voice Activity Detection (1ch Mic) 11.3. Microphone Input Recording (4ch) 11.4. Stop of Clock 11.4.1. PLL Master Mode 11.4.2. PLL Slave Mode (BCLK pin) 11.4.3. PLL Slave Mode (MCKI pin) 11.4.4. External Slave Mode 11.4.5. External Master Mode 11.5. Power Down 12. Package 12.1. Outline Dimensions 12.2. Material & Lead finish 12.3. Marking 13. Ordering Guide 14. Revision History IMPORTANT NOTICE