Datasheet MAAM-011275-DIE (MACOM) - 9

ManufacturerMACOM
DescriptionWideband Distributed Amplifier
Pages / Page10 / 9 — MAAM-011275-DIE. Wideband Distributed Amplifier. 30 kHz - 40 GHz. Rev. …
File Format / SizePDF / 1.1 Mb
Document LanguageEnglish

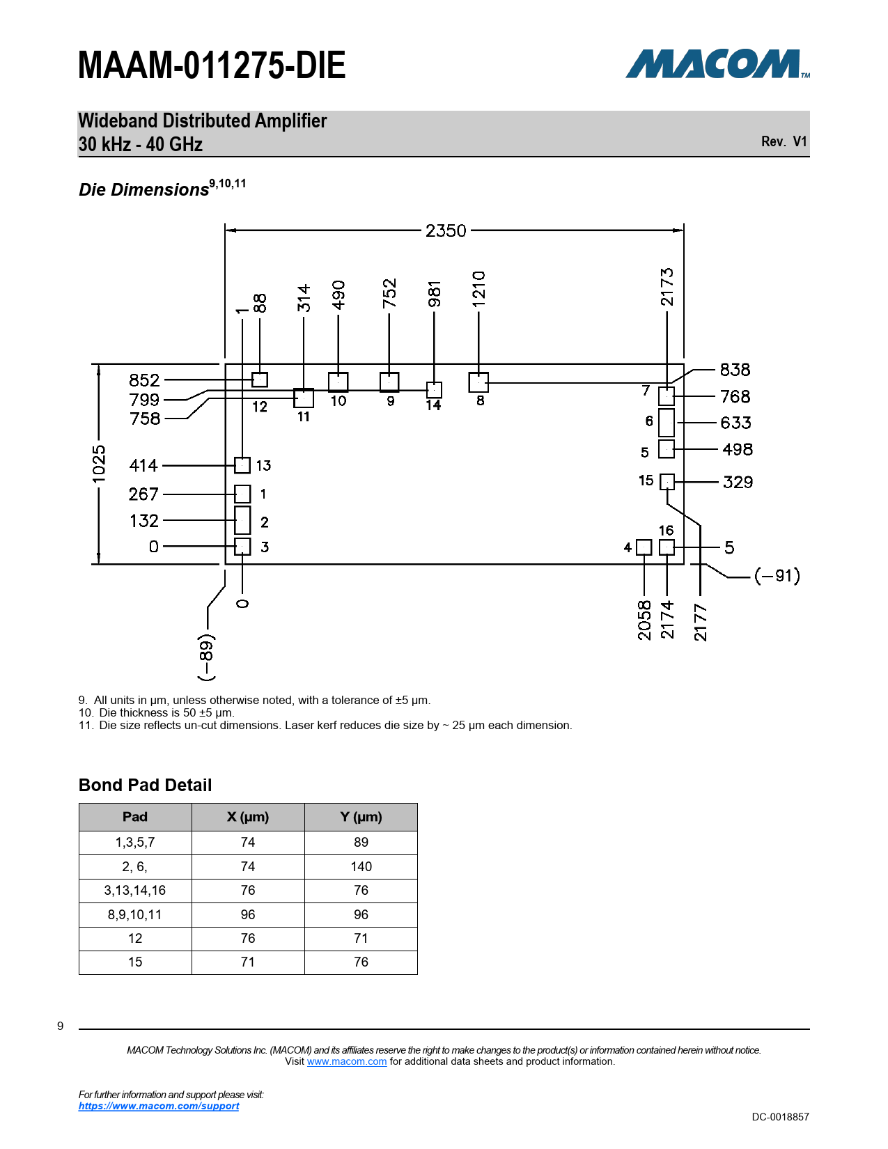
MAAM-011275-DIE. Wideband Distributed Amplifier. 30 kHz - 40 GHz. Rev. V1. Die Dimensions. 9,10,11. Bond Pad Detail

MAAM-011275-DIE Wideband Distributed Amplifier 30 kHz - 40 GHz Rev V1 Die Dimensions 9,10,11 Bond Pad Detail

Model Line for this Datasheet

Text Version of Document

MAAM-011275-DIE Wideband Distributed Amplifier 30 kHz - 40 GHz Rev. V1 Die Dimensions 9,10,11
9. All units in µm, unless otherwise noted, with a tolerance of ±5 µm. 10. Die thickness is 50 ±5 µm. 11. Die size reflects un-cut dimensions. Laser kerf reduces die size by ~ 25 µm each dimension.
Bond Pad Detail
1,3,5,7 74 89 2, 6, 74 140 3,13,14,16 76 76 8,9,10,11 96 96 12 76 71 15 71 76 9 MACOM Technology Solutions Inc. (MACOM) and its affiliates reserve the right to make changes to the product(s) or information contained herein without notice. Visit www.macom.com for additional data sheets and product information. For further information and support please visit:
https://www.macom.com/support
DC-0018857