News
Articles
Biblio
Circuits
Datasheets
Sites
Devices
Prices
More
News
Articles
Biblio
Datasheets
Sites
Devices
e-Newsletter Subscription
Authors
Only-Datasheet.com
About us
For Authors
Cooperation
Advertising
Contacts
ru - Русский
de - Deutsch
es - Espanol
zh - 中文
Search
Datasheets
Datasheet XC9268 (Torex)
Datasheet XC9268 (Torex) - 9
Manufacturer
Torex
Description
36V Operation 0.6A Synchronous Step-Down DC/DC Converters
Pages / Page
29
/
9
— XC9268. Series
File Format / Size
PDF
/
1.7 Mb
Document Language
English
XC9268. Series
1
2
3
...
8
9
10
Download PDF
1
2
3
...
8
9
10
Model Line for this Datasheet
XC9268
XC9268B75CER-G
XC9268B75CPR-G
XC9268B75DER-G
XC9268B75DPR-G
Text Version of Document
XC9268
Series
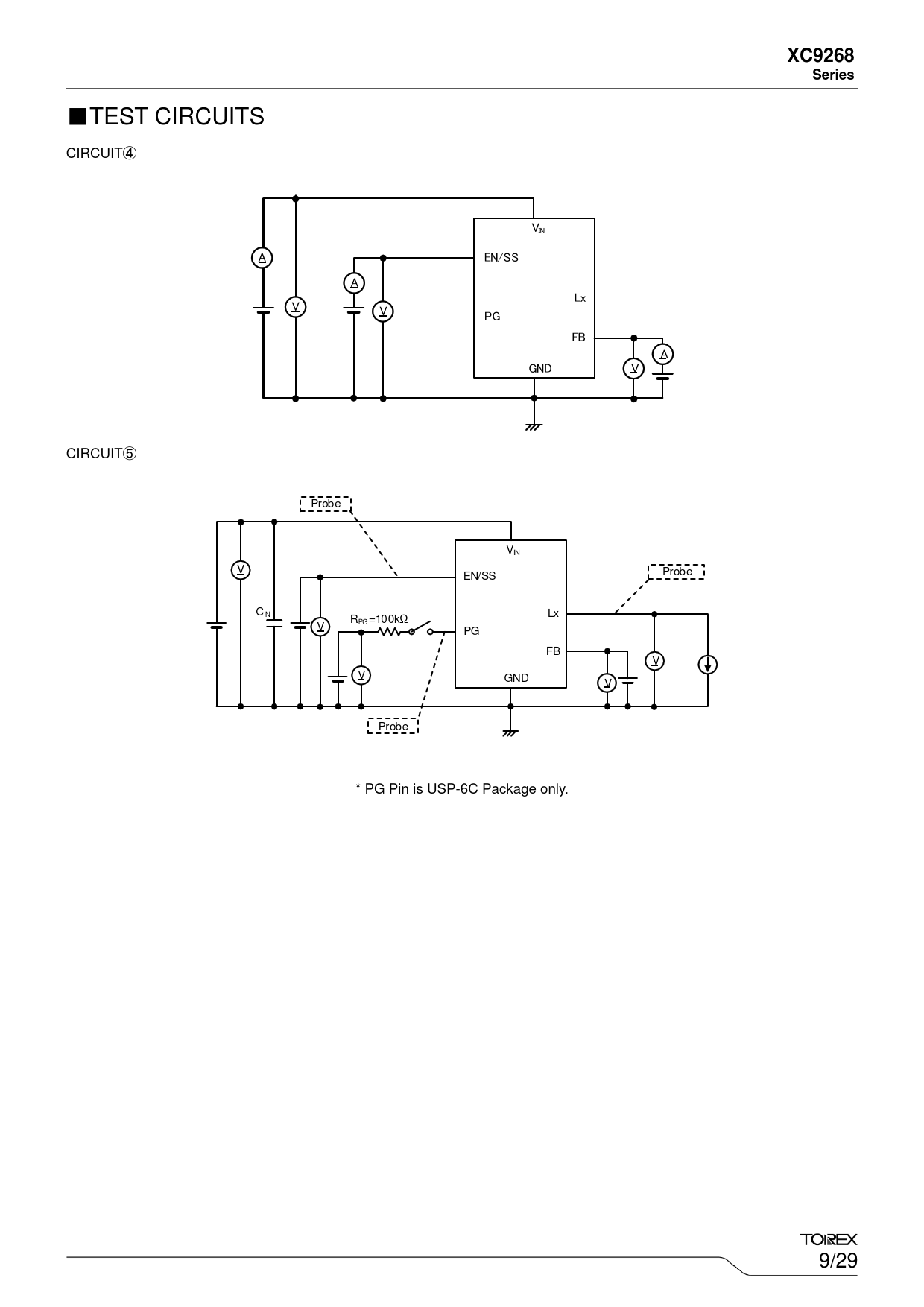
■TEST CIRCUITS CIRCUIT④ VIN A EN/SS A Lx V V PG FB A GND V CIRCUIT⑤ Probe VIN V EN/SS Probe CIN Lx R V PG =10 0kΩ PG FB V V GND V Probe * PG Pin is USP-6C Package only. 9/29
Subscribe e-Newsletter to Stay Informed on New Materials of Our Website!
Slices
Microcontrollers
e-Newsletter Subscription
Contacts
Privacy Policy
Change Privacy Settings