Datasheet InnoSwitch-CP (Power Integrations) - 2
| Manufacturer | Power Integrations |
| Description | Off-Line CV/CC Flyback Switcher IC with Integrated 650 V MOSFET |
| Pages / Page | 28 / 2 — InnoSwitch-CP. PRIMARY BYPASS. DRAIN. (BPP). (D). REGULATOR. 5.95 V. … |
| File Format / Size | PDF / 2.9 Mb |
| Document Language | English |
InnoSwitch-CP. PRIMARY BYPASS. DRAIN. (BPP). (D). REGULATOR. 5.95 V. FAULT. PRESENT. BYPASS PIN. INPUT VOLTAGE. UNDERVOLTAGE. MONITOR (V). AUTO-

Model Line for this Datasheet
Text Version of Document
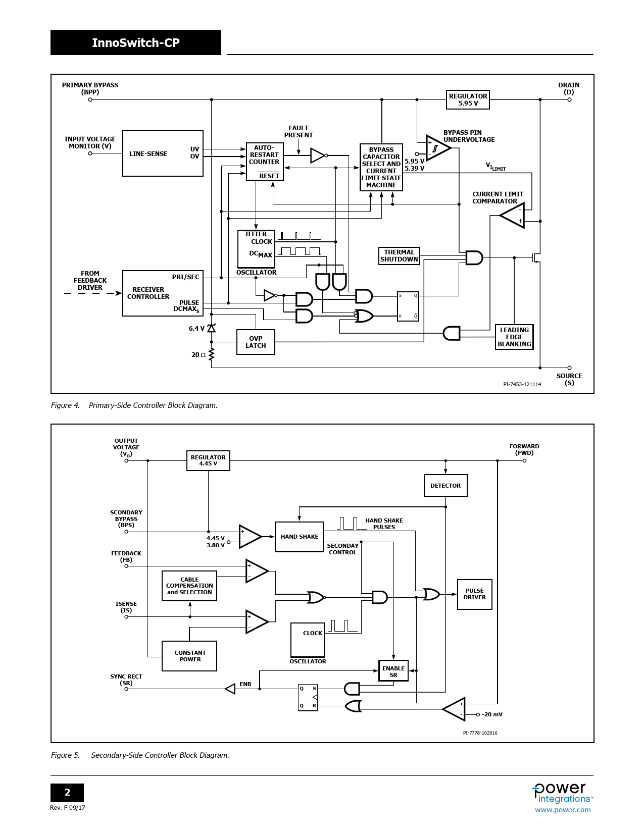
InnoSwitch-CP PRIMARY BYPASS DRAIN (BPP) (D) REGULATOR 5.95 V FAULT PRESENT BYPASS PIN INPUT VOLTAGE + UNDERVOLTAGE MONITOR (V) AUTO- UV BYPASS LINE-SENSE RESTART - OV CAPACITOR COUNTER 5.95 V SELECT AND 5.39 V VILIMIT CURRENT RESET LIMIT STATE MACHINE CURRENT LIMIT COMPARATOR - + JITTER CLOCK DCMAX THERMAL SHUTDOWN FROM OSCILLATOR PRI/SEC FEEDBACK DRIVER RECEIVER
S Q
CONTROLLER PULSE DCMAXS
R Q
6.4 V LEADING OVP EDGE LATCH BLANKING 20
Ω
SOURCE
PI-7453-121114
(S)
Figure 4. Primary-Side Control er Block Diagram.
OUTPUT VOLTAGE FORWARD (V (FWD) O) REGULATOR 4.45 V DETECTOR SCONDARY BYPASS HAND SHAKE (BPS) PULSES + 4.45 V HAND SHAKE 3.80 V - SECONDAY FEEDBACK CONTROL (FB) + - CABLE COMPENSATION PULSE and SELECTION DRIVER ISENSE (IS) + - CLOCK CONSTANT POWER OSCILLATOR ENABLE SYNC RECT SR (SR) ENB Q S + Q R - -20 mV
PI-7778-102016 Figure 5. Secondary-Side Control er Block Diagram.
2
Rev. F 09/17 www.power.com Document Outline Product Highlights Highly Integrated, Compact Footprint EcoSmart - Energy Efficient Advanced Protection / Safety Features Full Safety and Regulatory Compliance Green Package Applications Description Output Power Table Pin Functional Description InnoSwitch-CP Functional Description InnoSwitch-CP Operation Applications Example Key application Considerations Selection of Components Recommendations for Circuit Board Layout Recommendations for EMI Reduction Recommendations for Audible Noise Suppression Recommendations for Transformer Design Quick Design Checklist Absolute Maximum Ratings Thermal Resistance Key Electrical Characteristics NOTES Typical Performance Characteristics eSOP-R16B Package Package Marking MSL Table ESD and Latch-Up Table Part Ordering Information