Datasheet AP3917B (Diodes) - 2
| Manufacturer | Diodes |
| Description | Universal AC High Voltage Step Down Power Switcher |
| Pages / Page | 12 / 2 — AP3917B. Typical Applications Circuit. Pin Descriptions. Pin Number. Pin … |
| File Format / Size | PDF / 591 Kb |
| Document Language | English |
AP3917B. Typical Applications Circuit. Pin Descriptions. Pin Number. Pin Name. Function. Functional Block Diagram. www.diodes.com

Model Line for this Datasheet
Text Version of Document
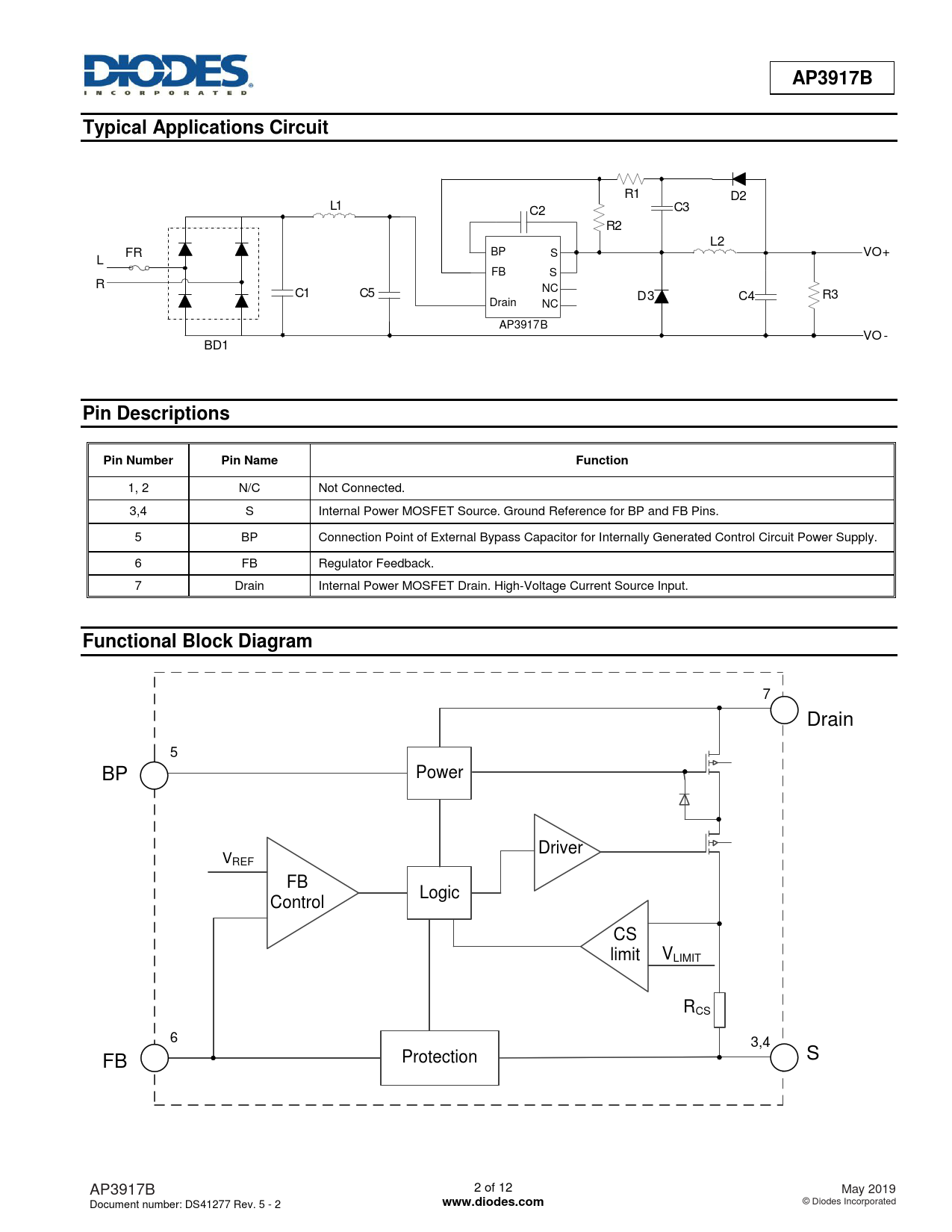
AP3917B Typical Applications Circuit
R1 D2 L1 C3 C2 R2 L2 BP FR S VO+ L FB S R C1 C5 NC D3 C4 R3 Drain NC AP3917B VO - BD1
Pin Descriptions Pin Number Pin Name Function
1, 2 N/C Not Connected. 3,4 S Internal Power MOSFET Source. Ground Reference for BP and FB Pins. 5 BP Connection Point of External Bypass Capacitor for Internally Generated Control Circuit Power Supply. 6 FB Regulator Feedback. 7 Drain Internal Power MOSFET Drain. High-Voltage Current Source Input.
Functional Block Diagram
7 Drain 5 BP Power Driver VREF FB Logic Control CS limit VLIMIT RCS 6 3,4 Protection FB S AP3917B 2 of 12 May 2019 Document number: DS41277 Rev. 5 - 2
www.diodes.com
© Diodes Incorporated