Datasheet LTC7151S (Analog Devices) - 8
| Manufacturer | Analog Devices |
| Description | 20V, 15A Synchronous Step-Down Silent Switcher 2 Regulator |
| Pages / Page | 20 / 8 — BLOCK DIAGRAM |
| File Format / Size | PDF / 2.8 Mb |
| Document Language | English |
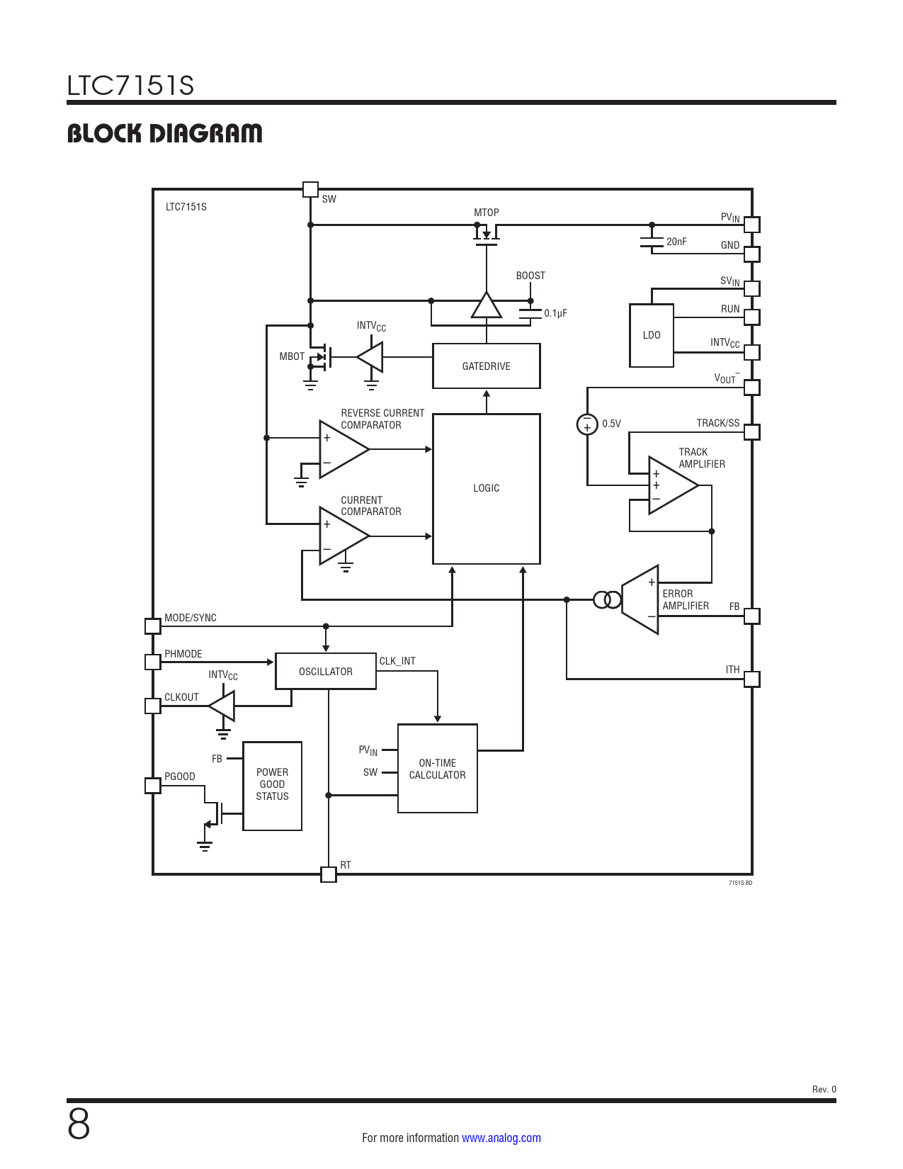
BLOCK DIAGRAM

Model Line for this Datasheet
Text Version of Document
LTC7151S
BLOCK DIAGRAM
SW LTC7151S MTOP PVIN 20nF GND BOOST SVIN RUN 0.1μF INTVCC LDO INTVCC MBOT GATEDRIVE V – OUT REVERSE CURRENT – COMPARATOR 0.5V + TRACK/SS + TRACK – + AMPLIFIER LOGIC + CURRENT – COMPARATOR + – + ERROR AMPLIFIER FB MODE/SYNC – PHMODE CLK_INT OSCILLATOR ITH INTVCC CLKOUT PVIN FB ON-TIME POWER SW PGOOD CALCULATOR GOOD STATUS RT 7151S BD Rev. 0 8 For more information www.analog.com Document Outline Features Applications Typical Application Description Absolute Maximum Ratings Order Information Electrical Characteristics Pin Configuration Electrical Characteristics Typical Performance Characteristics Pin Functions Block Diagram Operation Typical Applications Package Photo Typical Application Related Parts