Datasheet AOTL66610 (Alpha & Omega) - 6

ManufacturerAlpha & Omega
Description60V N-Channel AlphaSGT
Pages / Page6 / 6 — AOTL66610
File Format / SizePDF / 394 Kb
Document LanguageEnglish

AOTL66610

AOTL66610

Model Line for this Datasheet

Text Version of Document

AOTL66610
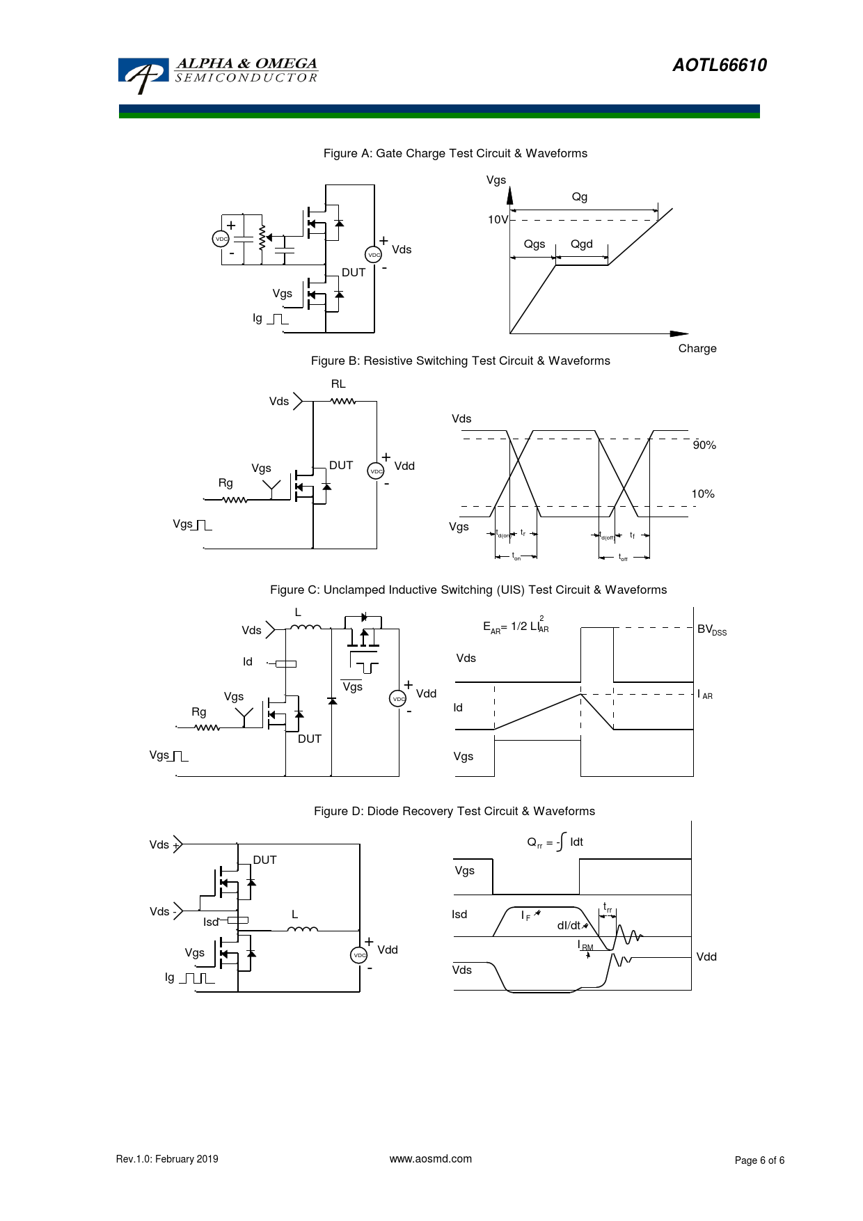
FigGate Ch ure A: G ar at g e e Tes Char t ge Circ T uit & Wav est Circuit & efor Wavm eforms Vgs Qg + 10V VDC + Qgs Qgd Vds VDC - - DUT Vgs Ig Charge Figure Res B: is Res tiv is e tiv Switch e Switc ing hi Te ng T st est Circ Circ uit ui & W t & W av av efo ef rms orms RL Vds Vds 90% + DUT Vdd Vgs VDC Rg - 10% Vgs Vgs t tr d(on) t t d(off) f ton toff Figure Unc C: lamp Uncl ed am Inductiv ped Induc e Sw tive S itc wi hin tchi g (UIS) ng (UIS) T Test Ci t Ci rc rc uit uit & & Wav Wav efo efor rms ms L 2 Vds E = 1/2 LIAR AR BVDSS Id Vds Vgs + Vdd Vgs I VDC AR Rg - Id DUT Vgs Vgs Fi Diod gure e Re D: Di cov ode er y T Rec es ov t Cir ery T cu es it & t Cir Wav cuit & efo W rms aveforms Vds + Q = - Idt rr DUT Vgs Vds - t L Isd I rr Isd F dI/dt + I RM Vgs Vdd VDC Vdd - Vds Ig Rev.1.0: February 2019 www.aosmd.com Page 6 of 6