Datasheet XD9267, XD9268 (Torex) - 2

ManufacturerTorex
Description36V Operation 600mA Synchronous Step-Down DC/DC Converters
Pages / Page26 / 2 — XD9267/XD9268. Series
File Format / SizePDF / 916 Kb
Document LanguageEnglish

XD9267/XD9268. Series

XD9267/XD9268 Series

Model Line for this Datasheet

Text Version of Document

XD9267/XD9268 Series
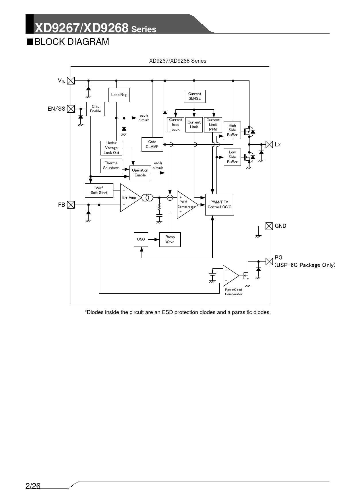
■ BLOCK DIAGRAM XD9267/XD9268 Series VIN LocalReg Current SENSE EN/SS Chip Enable each circuit Curr ent Current Current fee d Limit Limit High back PFM Side Buffer Under Gate Lx Voltage CLAMP Lock Out Low Side Thermal each Buffer Shutdown circuit Operation Enable Vref + Soft Start Err Amp +PWM PWM/PFM FB - Comparator ControlLOGIC - GND Ramp OSC Wave PG (USP-6C Package Only) + - PowerGood Comparator *Diodes inside the circuit are an ESD protection diodes and a parasitic diodes. 2/26