Datasheet AOZ6682CI (Alpha & Omega) - 5
| Manufacturer | Alpha & Omega |
| Description | EZBuck 2A Synchronous Buck Regulator |
| Pages / Page | 14 / 5 — AOZ6682CI. Functional Block Diagram. www.aosmd.com |
| File Format / Size | PDF / 808 Kb |
| Document Language | English |
AOZ6682CI. Functional Block Diagram. www.aosmd.com

Model Line for this Datasheet
Text Version of Document
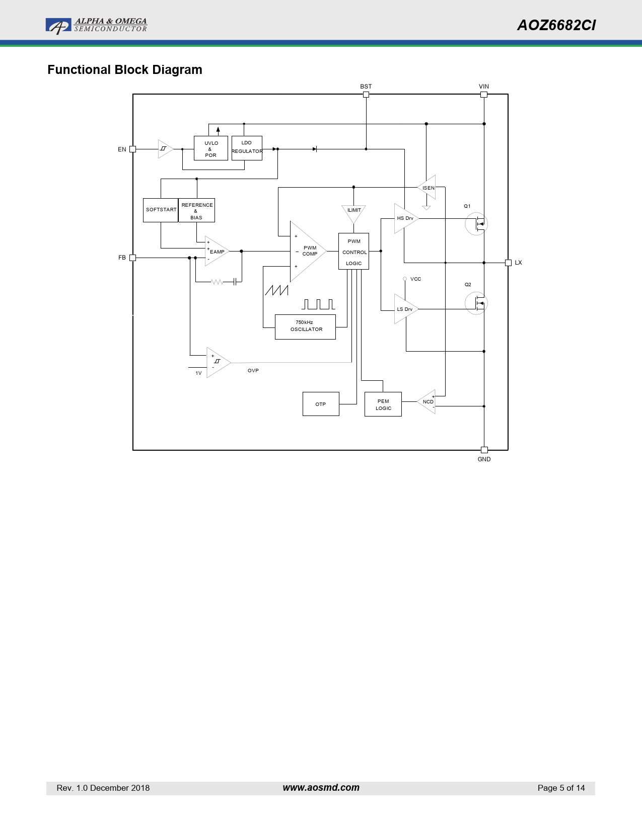
AOZ6682CI Functional Block Diagram
BST VIN UVLO LDO EN & REGULATOR POR ISEN REFERENCE Q1 SOFTSTART & ILIMIT BIAS HS Drv + PWM + + PWM EAMP – CONTROL COMP FB - LOGIC LX + VCC Q2 LS Drv 750kHz OSCILLATOR + - 1V OVP + PEM OTP NCD- LOGIC GND Rev. 1.0 December 2018
www.aosmd.com
Page 5 of 14