Datasheet AOZ6683CI (Alpha & Omega) - 5
| Manufacturer | Alpha & Omega |
| Description | EZBuck 3A Synchronous Buck Regulator |
| Pages / Page | 15 / 5 — AOZ6683CI. Functional Block Diagram. BST. VIN. GND. www.aosmd.com |
| File Format / Size | PDF / 631 Kb |
| Document Language | English |
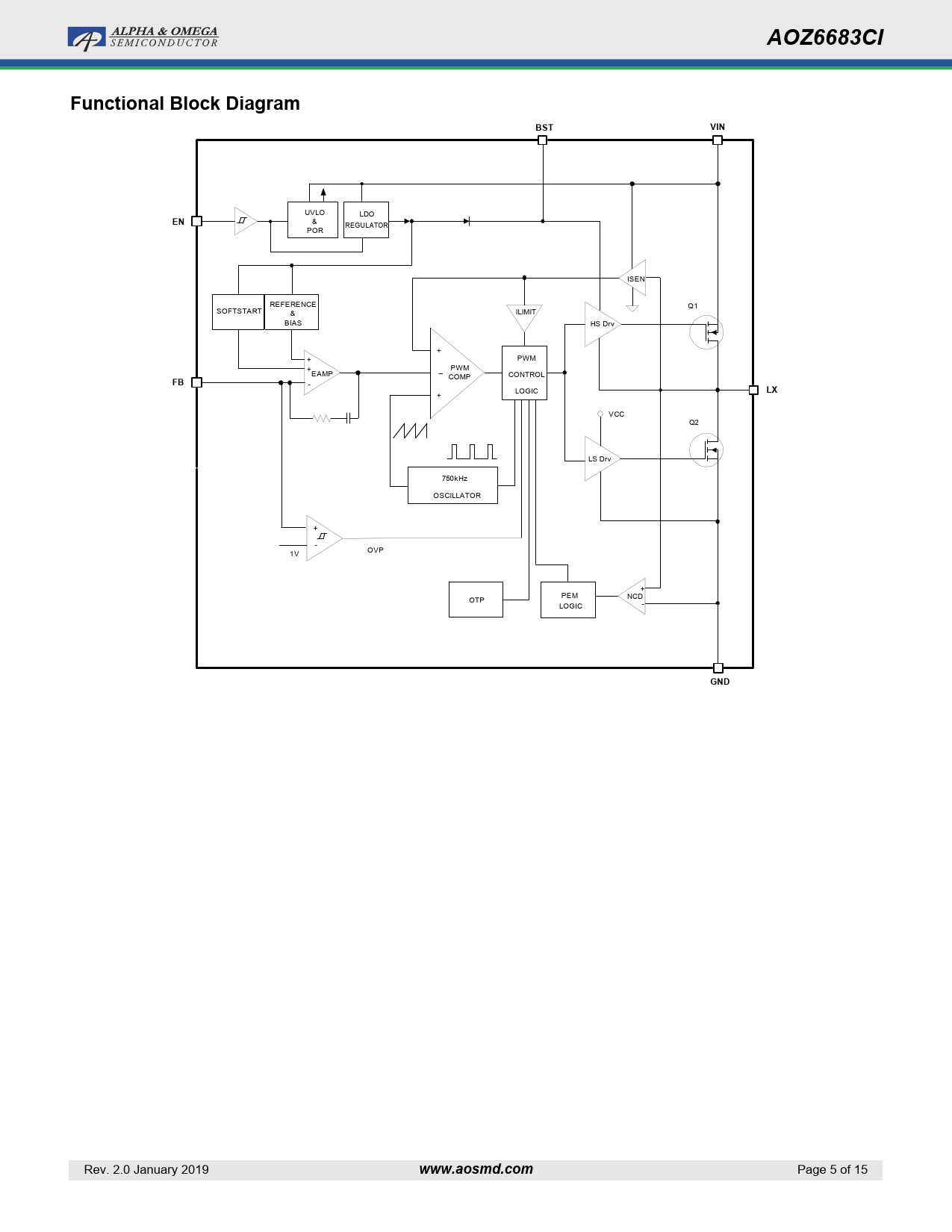
AOZ6683CI. Functional Block Diagram. BST. VIN. GND. www.aosmd.com

Model Line for this Datasheet
Text Version of Document
AOZ6683CI Functional Block Diagram BST VIN
UVLO LDO
EN
& REGULATOR POR ISEN REFERENCE Q1 SOFTSTART & ILIMIT BIAS HS Drv + PWM + + PWM EAMP – CONTROL COMP
FB
- LOGIC
LX
+ VCC Q2 LS Drv 750kHz OSCILLATOR + - 1V OVP + PEM OTP NCD- LOGIC
GND
Rev. 2.0 January 2019
www.aosmd.com
Page 5 of 15