Datasheet XCL303, XCL304 (Torex) - 8

ManufacturerTorex
DescriptionInductor Built-in Negative Output Voltage “micro DC/DC” Converters
Pages / Page24 / 8 — XCL303/XCL304 Series
File Format / SizePDF / 791 Kb
Document LanguageEnglish

XCL303/XCL304 Series

XCL303/XCL304 Series

Model Line for this Datasheet

Text Version of Document

XCL303/XCL304 Series
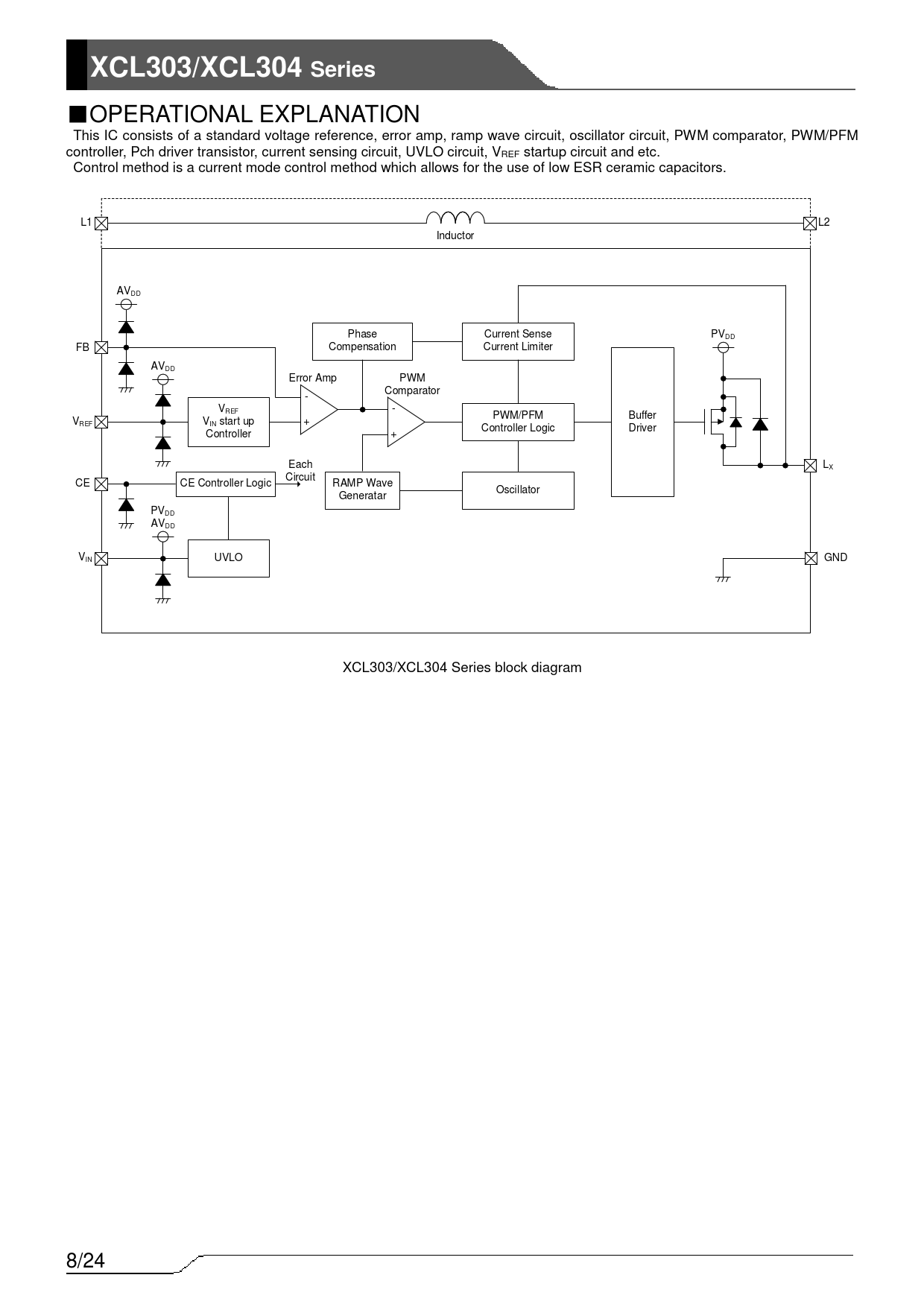
■OPERATIONAL EXPLANATION This IC consists of a standard voltage reference, error amp, ramp wave circuit, oscillator circuit, PWM comparator, PWM/PFM controller, Pch driver transistor, current sensing circuit, UVLO circuit, VREF startup circuit and etc. Control method is a current mode control method which allows for the use of low ESR ceramic capacitors. L1 L2 Inductor AVDD Phase Current Sense PVDD FB Compensation Current Limiter AVDD Error Amp PWM Comparator - VREF - PWM/PFM Buffer VREF VIN start up + Controller Logic Driver Controller + Each L X Circuit CE CE Controller Logic RAMP Wave Oscillator Generatar PVDD AVDD VIN UVLO GND XCL303/XCL304 Series block diagram 8/24