Datasheet RV1S2285A (Renesas) - 5
| Manufacturer | Renesas |
| Description | OPERATING AMBIENT TEMPERATURE 115°C, 4-PIN SSOP WITH 8.2mm CREEPAGE DISTANCE (LSSOP) PHOTOCOUPLER |
| Pages / Page | 15 / 5 — RV1S2285A. 章題. *2. CTR1. =. IC1/IF1,. CTR2. =. IC2/IF2. IC1. IF1. I. C2. … |
| File Format / Size | PDF / 6.6 Mb |
| Document Language | English |
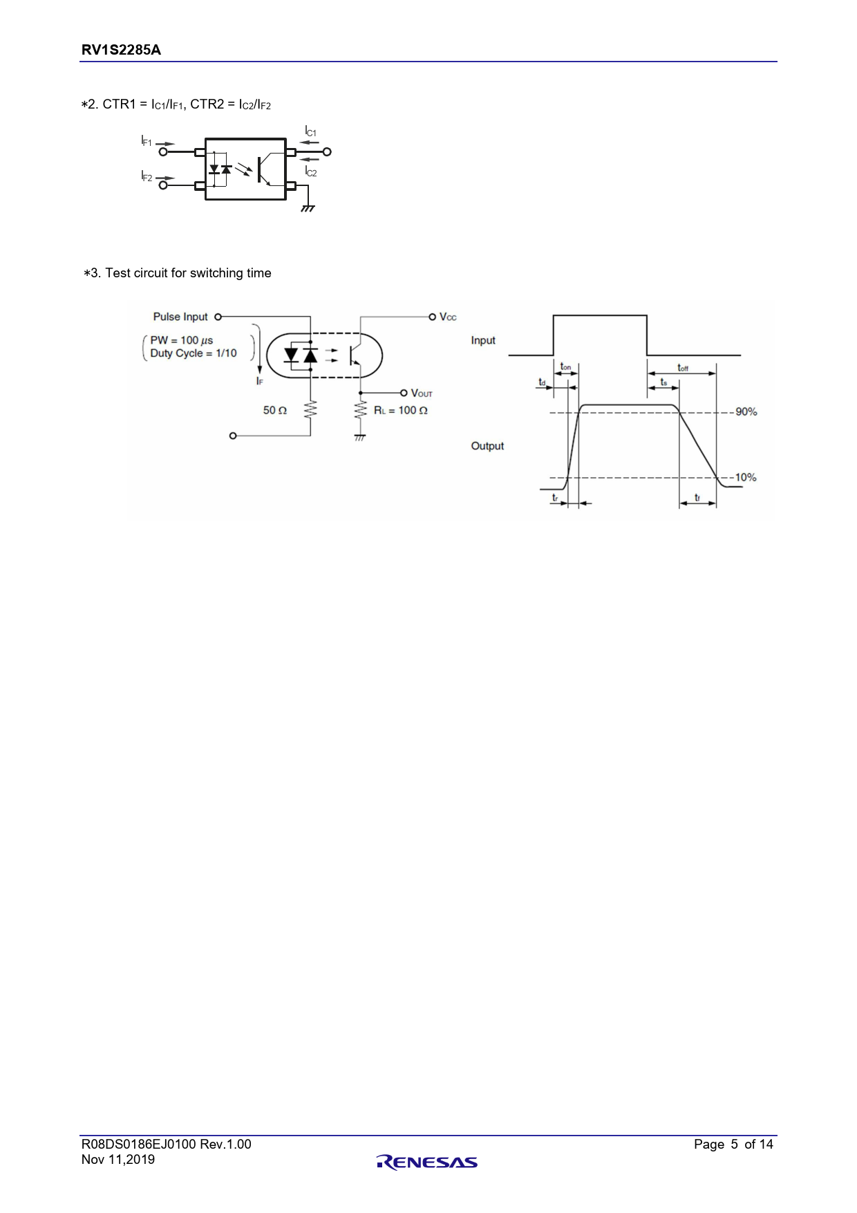
RV1S2285A. 章題. *2. CTR1. =. IC1/IF1,. CTR2. =. IC2/IF2. IC1. IF1. I. C2. IF2. *3. Test. circuit. for. switching. time. R08DS0186EJ0100. Rev.1.00. Page. 5. of. 14. Nov

Model Line for this Datasheet
Text Version of Document
RV1S2285A 章題 *2. CTR1 = IC1/IF1, CTR2 = IC2/IF2 IC1 IF1 I C2 IF2 *3. Test circuit for switching time R08DS0186EJ0100 Rev.1.00 Page 5 of 14 Nov 11,2019