Datasheet TB9045FNG-125 (Toshiba) - 8
| Manufacturer | Toshiba |
| Description | DCDC Convertor & Multi Output Regulator |
| Pages / Page | 45 / 8 — DCDC2 |
| File Format / Size | PDF / 767 Kb |
| Document Language | English |
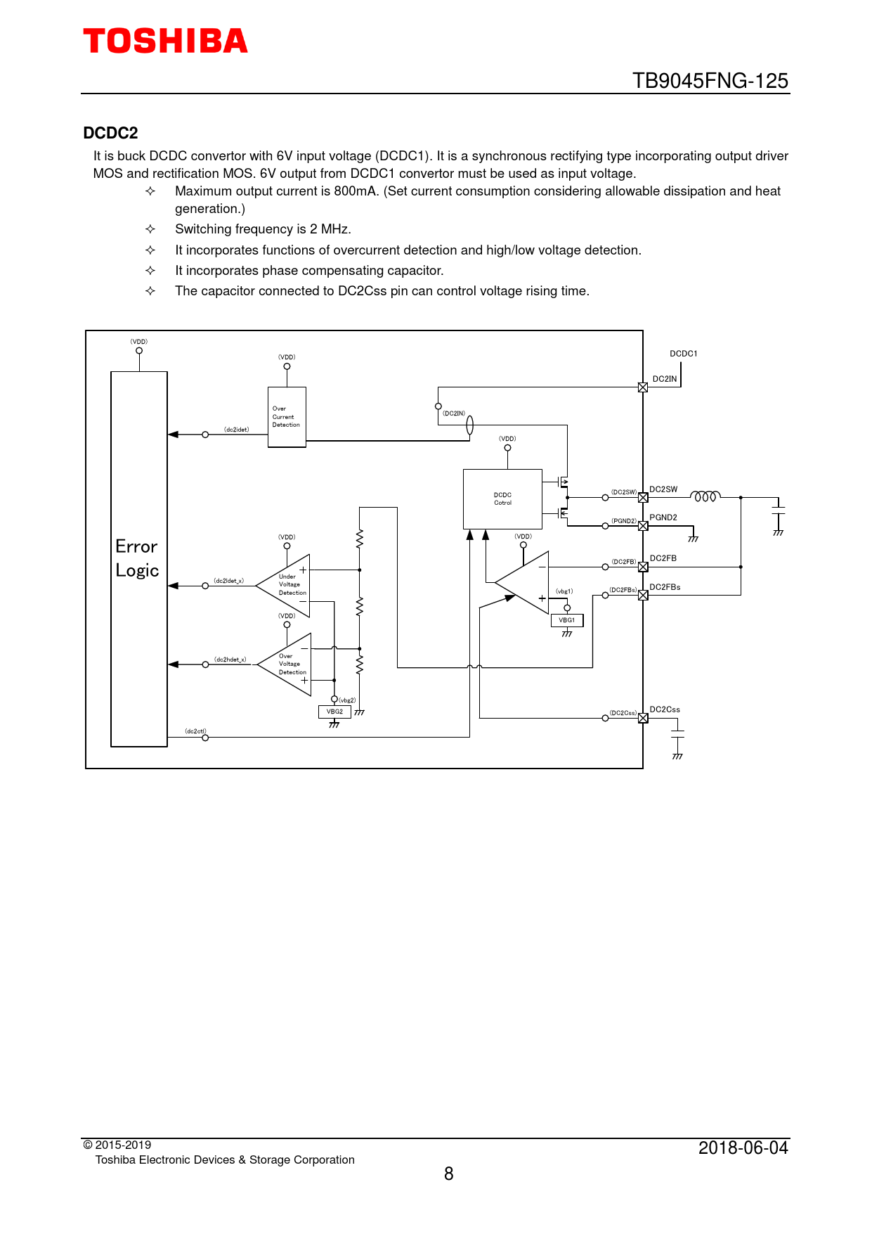
DCDC2

Model Line for this Datasheet
Text Version of Document
TB9045FNG-125
DCDC2
It is buck DCDC convertor with 6V input voltage (DCDC1). It is a synchronous rectifying type incorporating output driver MOS and rectification MOS. 6V output from DCDC1 convertor must be used as input voltage. Maximum output current is 800mA. (Set current consumption considering allowable dissipation and heat generation.) Switching frequency is 2 MHz. It incorporates functions of overcurrent detection and high/low voltage detection. It incorporates phase compensating capacitor. The capacitor connected to DC2Css pin can control voltage rising time. (VDD) DCDC1 (VDD) DC2IN Over (DC2IN) Current Detection (dc2idet) (VDD) DC2SW DCDC (DC2SW) Cotrol PGND2 (PGND2) (VDD) (VDD) Error DC2FB (DC2FB) Logic Under (dc2ldet_x) Voltage DC2FBs (DC2FBs) Detection (vbg1) (VDD) VBG1 (dc2hdet_x) Over Voltage Detection (vbg2) VBG2 DC2Css (DC2Css) (dc2ctl) © 2015-2019 2018-06-04 Toshiba Electronic Devices & Storage Corporation 8