Datasheet 2ED2181 (4) S06F (J) (Infineon) - 4

ManufacturerInfineon
Description650 V high-side and low-side gate driver with integrated bootstrap diode
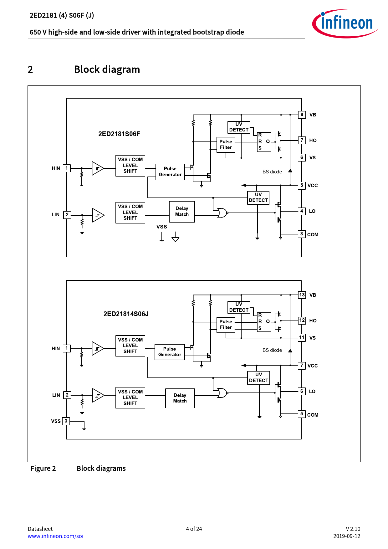
Pages / Page24 / 4 — 8 VB. DETECT. 2ED2181S06F. R R Q. Pulse. Filter. 6 VS. VSS / COM. HIN 1. …
Revision02_01
File Format / SizePDF / 926 Kb
Document LanguageEnglish

8 VB. DETECT. 2ED2181S06F. R R Q. Pulse. Filter. 6 VS. VSS / COM. HIN 1. LEVEL. SHIFT. Generator. 5 VCC. Delay. LIN 2. Match. VSS. 3 COM. 13 VB. 2ED21814S06J

8 VB DETECT 2ED2181S06F R R Q Pulse Filter 6 VS VSS / COM HIN 1 LEVEL SHIFT Generator 5 VCC Delay LIN 2 Match VSS 3 COM 13 VB 2ED21814S06J

Model Line for this Datasheet

Text Version of Document

2ED2181 (4) S06F (J) 650 V high-side and low-side driver with integrated bootstrap diode 2 Block diagram
8 VB UV DETECT 2ED2181S06F R R Q 7 Pulse HO Filter S 6 VS VSS / COM HIN 1 LEVEL Pulse SHIFT Generator
BS diode
5 VCC UV DETECT VSS / COM Delay LEVEL 4 LIN 2 Match LO SHIFT VSS 3 COM 13 VB UV DETECT 2ED21814S06J R R Q 12 Pulse HO Filter S 11 VS VSS / COM HIN 1 LEVEL Pulse SHIFT
BS diode
Generator 7 VCC UV DETECT VSS / COM 6 LO LIN 2 Delay LEVEL Match SHIFT 5 COM VSS 3
Figure 2 Block diagrams Datasheet 4 of 24 V 2.10 www.infineon.com/soi 2019-09-12 Document Outline Features Product summary Product validation Description 1 Table of contents 2 Block diagram 3 Pin configuration and functionality 3.1 Pin configuration 3.2 Pin functionality 4 Electrical parameters 4.1 Absolute maximum ratings 4.2 Recommended operating conditions 4.3 Static electrical characteristics 4.4 Dynamic electrical characteristics 5 Application information and additional details 5.1 IGBT / MOSFET gate drive 5.2 Switching and timing relationships 5.3 Matched propagation delays 5.4 Input logic compatibility 5.5 Undervoltage lockout 5.6 Bootstrap diode 5.7 Calculating the bootstrap capacitance CBS 5.8 Tolerant to negative tranisents on input pins 5.9 Negative voltage transient tolerance of VS pin 5.10 NTSOA – Negative Transient Safe Operating Area 5.11 Higher headroom for input to output signal transmission with logic operation upto -11 V 5.12 Maximum switching frequency 5.13 PCB layout tips 6 Qualification information0F 7 Related products 8 Package details 9 Part marking information 10 Additional documentation and resources 10.1 Infineon online forum resources 11 Revision history