Datasheet STSPIN32F0601, STSPIN32F0602 (STMicroelectronics) - 3
| Manufacturer | STMicroelectronics |
| Description | 600V three-phase controller with MCU |
| Pages / Page | 29 / 3 — STSPIN32F0601, STSPIN32F0602. Block diagram. Figure 1. STSPIN32F060x SiP … |
| File Format / Size | PDF / 788 Kb |
| Document Language | English |
STSPIN32F0601, STSPIN32F0602. Block diagram. Figure 1. STSPIN32F060x SiP block diagram. ^dDϯϮ&Ϭϯϭ

Model Line for this Datasheet
Text Version of Document
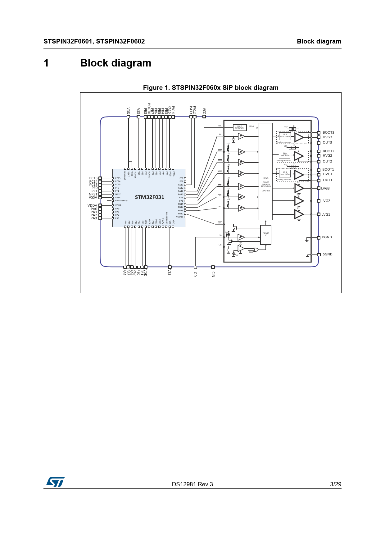
STSPIN32F0601, STSPIN32F0602 Block diagram 1 Block diagram Figure 1. STSPIN32F060x SiP block diagram
KKdϬ s Wϭϱ Wϭϰ Wϭϯ WϭϮ s^^ Wϴ Wϳ Wϲ Wϱ Wϰ Wϯ s 7$$ 67-0 67-0 % 7$$ %&5&$5*0/ KKdϯ &/ 67 -FWFM4IJGUFS ,s'ϯ 'MPBUJOHTUSVDUVSF 7 Khdϯ % 7$$ )*/ KKdϮ 7 67 -FWFM4IJGUFS ,s'Ϯ )*/ 'MPBUJOHTUSVDUVSF KhdϮ % 7 7$$ ƌĞ s s sϭ s^ Wϴ Wϳ Wϲ Wϯ W W KKdϭ )M/ Ɛ 67 Ğ ^ ƌǀ Wϵ ϭ ϭ d Wϰ KKd Wϱ ϱ ϰ -FWFM4IJGUFS ,s'ϭ Ğ ϴ Wϭϯ Ϭ Wϭϯ Ě W&ϳ 7 -0(*$ 'MPBUJOHTUSVDUVSF Wϭϰ Wϭϰ Khdϭ W&ϲ 4)005 7$$ Wϭϱ Wϭϱ Wϭϯ -*/ 5)306() W&Ϭ W&Ϭ 13&7&/5*0/ WϭϮ 7 >s'ϯ W&ϭ W&ϭ Wϭϭ %&"%5*.& EZ^d EZ^d WϭϬ 7$$ -*/ s^^ s^^
^dDϯϮ&Ϭϯϭ
Wϵ 7 zW^^Z'ϭ Wϴ >s'Ϯ Wϭϱ s s Wϭϰ -M/ WϬ WϬ 7$$ Wϭϯ Wϭ Wϭ zW WϭϮ WϮ WϮ >s'ϭ ^^ sϭϴ EW s^ Wϯ Wϯ Wϭ Wϭ Z W s WϮ ^ 'Ϯ s K s^ ϰ Wϱ Wϲ Wϳ WϬ Wϭ Z Ϭ ϭ Ϯ ^ '"6-5 *0% 4."35 0% 4% W'E 7 $*/ 67-0 73&' ^'E Wϰ Wϱ Wϲ Wϳ WϬ Wϭ s s^^ K /E DS12981 Rev 3 3/29 29 Document Outline 1 Block diagram Figure 1. STSPIN32F060x SiP block diagram 2 Pin description and connection diagram Figure 2. STSPIN32F060x pin connection (Top view) Table 1. Legend/abbreviations used in the pin description table Table 2. Pin description Table 3. STSPIN32F060x MCU-Driver internal connections 3 Electrical data 3.1 Absolute maximum ratings Table 4. Absolute maximum ratings 3.2 Thermal data Table 5. Thermal data 3.3 Recommended operating conditions Table 6. Recommended operating conditions 4 Electrical characteristics Table 7. Electrical characteristics Figure 3. Propagation delay timing definition Figure 4. Deadtime timing definitions Figure 5. Deadtime and interlocking waveforms definition 5 Device description 5.1 Gate driver 5.1.1 Inputs and outputs Table 8. Inputs truth table (applicable when device is not in UVLO or SmartSD protection) 5.1.2 Deadtime 5.1.3 VCC UVLO protection Figure 6. VCC power ON and UVLO, LVG timing Figure 7. VCC power ON and UVLO, HVG timing 5.1.4 VBO UVLO protection Figure 8. VBO Power-ON and UVLO timing 5.1.5 Comparator and Smart shutdown Figure 9. Smart shutdown timing waveforms 5.2 Microcontroller unit 5.2.1 Memories and boot mode 5.2.2 Power management 5.2.3 High-speed external clock source Figure 10. Typical application with 8 MHz crystal Figure 11. HSE clock source timing diagram 5.3 Advanced-control timer (TIM1) Table 9. TIM1 channel configuration 6 Package information 6.1 TQFP 10x10 64L package information Figure 12. TQFP mechanical data Table 10. TQFP package dimensions 6.2 Suggested land pattern Figure 13. TQFP 10x10 64L suggested land pattern 7 Ordering information Table 11. Order codes 8 Revision history Table 12. Document revision history