Datasheet CMPD2836E, CMPD2838E (Central Semiconductor) - 2

ManufacturerCentral Semiconductor
DescriptionSurface Mount Dual, Silicon Switching Diodes
Pages / Page3 / 2 — CMPD2836E CMPD2838E. SURFACE MOUNT. DUAL, SILICON. SWITCHING DIODES. …
File Format / SizePDF / 615 Kb
Document LanguageEnglish

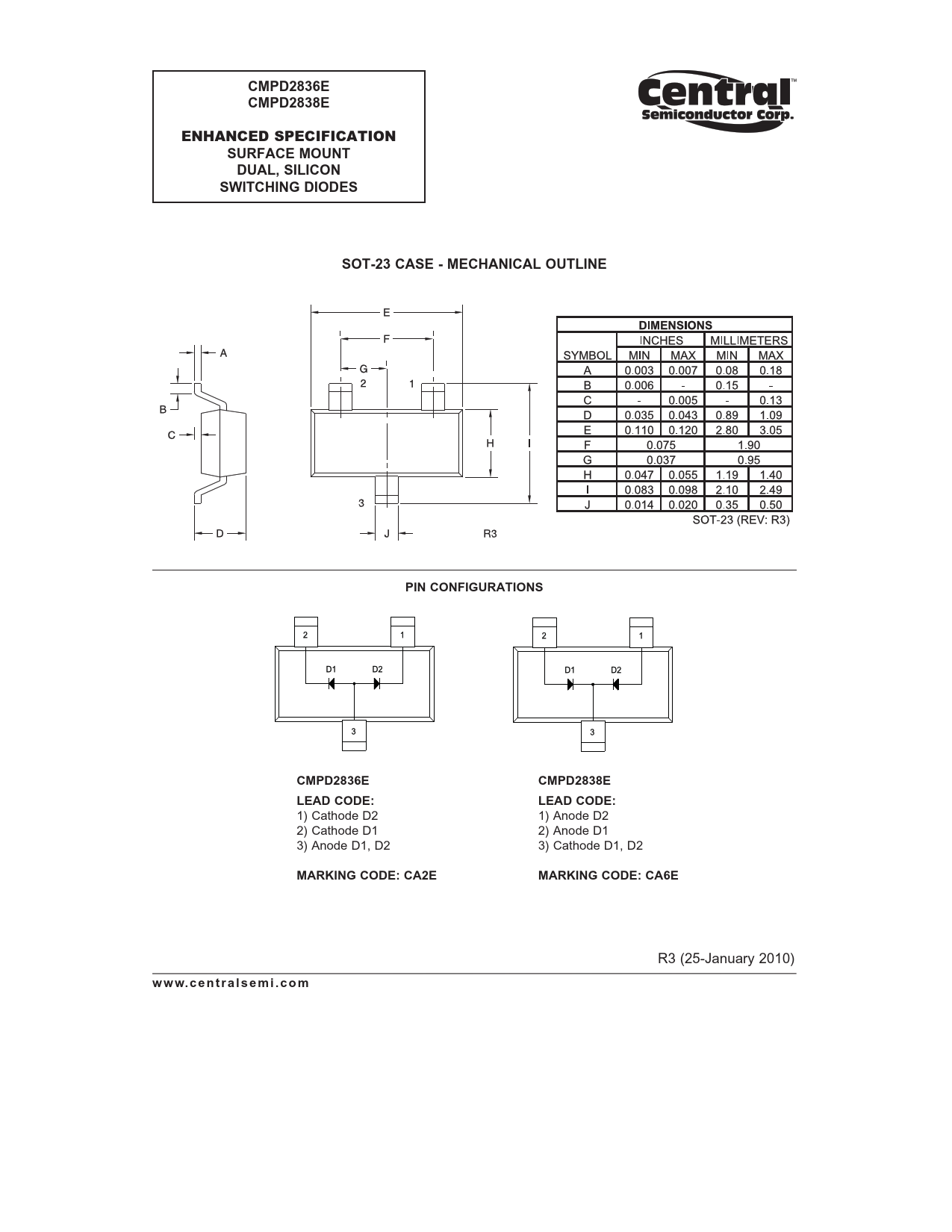
CMPD2836E CMPD2838E. SURFACE MOUNT. DUAL, SILICON. SWITCHING DIODES. SOT-23 CASE - MECHANICAL OUTLINE. PIN CONFIGURATIONS

CMPD2836E CMPD2838E SURFACE MOUNT DUAL, SILICON SWITCHING DIODES SOT-23 CASE - MECHANICAL OUTLINE PIN CONFIGURATIONS

Model Line for this Datasheet

Text Version of Document

CMPD2836E CMPD2838E
ENHANCED SPECIFICATION
SURFACE MOUNT DUAL, SILICON SWITCHING DIODES SOT-23 CASE - MECHANICAL OUTLINE PIN CONFIGURATIONS CMPD2836E CMPD2838E LEAD CODE: LEAD CODE:
1) Cathode D2 1) Anode D2 2) Cathode D1 2) Anode D1 3) Anode D1, D2 3) Cathode D1, D2
MARKING CODE: CA2E MARKING CODE: CA6E
R3 (25-January 2010)
w w w. c e n t ra l s e m i . c o m