Datasheet 1EDN7550U (Infineon) - 4
| Manufacturer | Infineon |
| Description | Single-channel EiceDRIVER gate-drive IC with true differential inputs |
| Pages / Page | 27 / 4 — EiceDRIVER™ 1EDN7550 and 1EDN8550. Single-channel EiceDRIVER™ gate-drive … |
| Revision | 02_02 |
| File Format / Size | PDF / 1.1 Mb |
| Document Language | English |
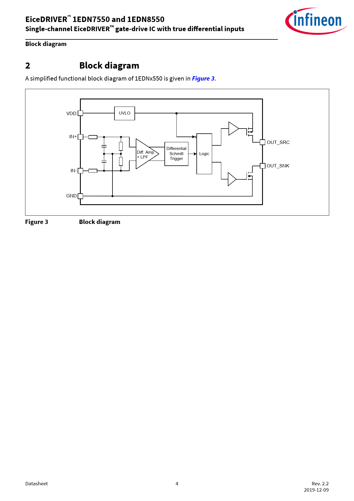
EiceDRIVER™ 1EDN7550 and 1EDN8550. Single-channel EiceDRIVER™ gate-drive IC with true differential inputs. Block diagram

Model Line for this Datasheet
Text Version of Document
link to page 4
EiceDRIVER™ 1EDN7550 and 1EDN8550 Single-channel EiceDRIVER™ gate-drive IC with true differential inputs Block diagram 2 Block diagram
A simplified functional block diagram of 1EDNx550 is given in
Figure 3
. VDD UVLO IN+ OUT_SRC Differential Diff. Amp. Schmitt Logic + LPF Trigger OUT_SNK IN- GND
Figure 3 Block diagram
Datasheet 4 Rev. 2.2 2019-12-09 Document Outline Features Description Table of contents 1 Pin configuration and description 2 Block diagram 3 Functional description 3.1 Differential input 3.1.1 Common mode input range 3.2 Driver outputs 3.3 Supply voltage and Undervoltage Lockout (UVLO) 4 Electrical characteristics and parameters 4.1 Absolute maximum ratings 4.2 Thermal characteristics 4.3 Operating range 4.4 Electrical characteristics 4.5 Timing diagram 5 Typical characteristics 6 Typical applications 6.1 Switches with Kelvin source connection (4-pin packages) 6.2 Applications with significant parasitic PCB-inductances 6.3 Switches with bipolar gate drive 6.4 High-side switches 7 Layout guidelines 8 Package information 8.1 PG-SOT23-6 package 8.2 PG-TSNP-6 package 9 Device numbers and markings Revision history Disclaimer