Datasheet SSD1306 (Solomon Systech) - 8

ManufacturerSolomon Systech
Description128 x 64, Dot Matrix OLED/PLED Segment/Common Driver with Controller
Pages / Page64 / 8 — BLOCK DIAGRAM. Figure 4-1 SSD1306 Block Diagram. Solomon Systech. SSD1306
File Format / SizePDF / 1.8 Mb
Document LanguageEnglish

BLOCK DIAGRAM. Figure 4-1 SSD1306 Block Diagram. Solomon Systech. SSD1306

BLOCK DIAGRAM Figure 4-1 SSD1306 Block Diagram Solomon Systech SSD1306

Model Line for this Datasheet

Text Version of Document

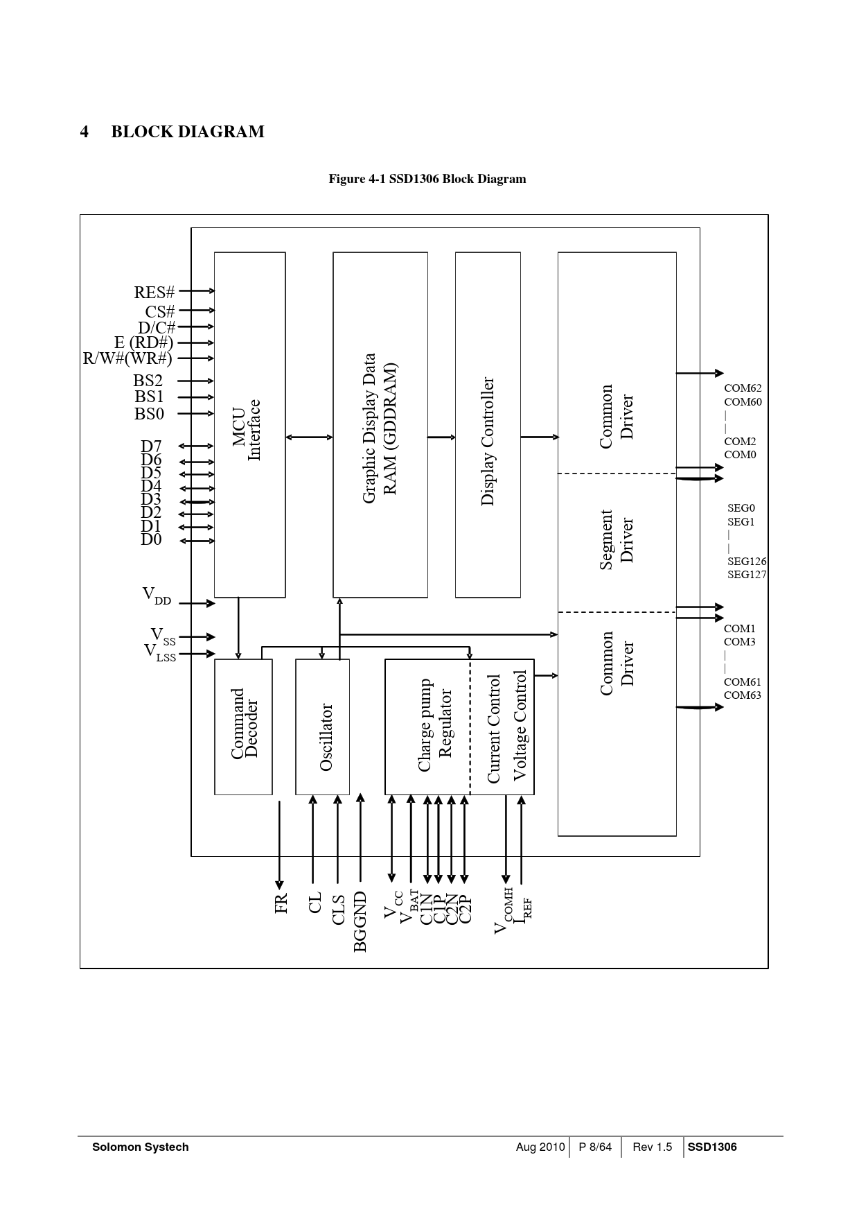
4 BLOCK DIAGRAM Figure 4-1 SSD1306 Block Diagram
RES# CS# D/C# E (RD#) R/W#(WR#) ta ) BS2 r BS1 y Da lle on COM62 la RAM m er COM60 BS0 sp m iv | DD | ontro MCU D7 Co Dr c Di (G COM2 Interface D6 COM0 D5 phi D4 play C D3 Gra RAM Dis D2 SEG0 t D1 SEG1 en er D0 | gm iv | Dr SEG126 Se SEG127 VDD COM1 V n SS COM3 V | LSS ver | mmo Dri d rol COM61 mp nt Co COM63 an tor der or la lat mm gu e Co Co Deco scil arge pu ag Re rent Control O Ch olt Cur V S T H D CC P P FR CL N N M BA CL V V C1 C2 CO C2 I REF C1 V BGGN
Solomon Systech
Aug 2010 P 8/64 Rev 1.5
SSD1306
Document Outline 1 GENERAL DESCRIPTION 2 FEATURES 3 ORDERING INFORMATION 4 BLOCK DIAGRAM 5 DIE PAD FLOOR PLAN 6 PIN ARRANGEMENT 6.1 SSD1306TR1 pin assignment 7 PIN DESCRIPTION 8 FUNCTIONAL BLOCK DESCRIPTIONS 8.1 MCU Interface selection 8.1.1 MCU Parallel 6800-series Interface 8.1.2 MCU Parallel 8080-series Interface 8.1.3 MCU Serial Interface (4-wire SPI) 8.1.4 MCU Serial Interface (3-wire SPI) 8.1.5 MCU I2C Interface 8.1.5.1 I2C-bus Write data 8.1.5.2 Write mode for I2C 8.2 Command Decoder 8.3 Oscillator Circuit and Display Time Generator 8.4 FR synchronization 8.5 Reset Circuit 8.6 Segment Drivers / Common Drivers 8.7 Graphic Display Data RAM (GDDRAM) 8.8 SEG/COM Driving block 8.9 Power ON and OFF sequence 8.9.1 Power ON and OFF sequence with External VCC 8.9.2 Power ON and OFF sequence with Charge Pump Application 8.10 Charge Pump Regulator 9 COMMAND TABLE 9.1 Data Read / Write 10 COMMAND DESCRIPTIONS 10.1 Fundamental Command 10.1.1 Set Lower Column Start Address for Page Addressing Mode (00h~0Fh) 10.1.2 Set Higher Column Start Address for Page Addressing Mode (10h~1Fh) 10.1.3 Set Memory Addressing Mode (20h) 10.1.4 Set Column Address (21h) 10.1.5 Set Page Address (22h) 10.1.6 Set Display Start Line (40h~7Fh) 10.1.7 Set Contrast Control for BANK0 (81h) 10.1.8 Set Segment Re-map (A0h/A1h) 10.1.9 Entire Display ON (A4h/A5h) 10.1.10 Set Normal/Inverse Display (A6h/A7h) 10.1.11 Set Multiplex Ratio (A8h) 10.1.12 Set Display ON/OFF (AEh/AFh) 10.1.13 Set Page Start Address for Page Addressing Mode (B0h~B7h) 10.1.14 Set COM Output Scan Direction (C0h/C8h) 10.1.15 Set Display Offset (D3h) 10.1.16 Set Display Clock Divide Ratio/ Oscillator Frequency (D5h) 10.1.17 Set Pre-charge Period (D9h) 10.1.18 Set COM Pins Hardware Configuration (DAh) 10.1.19 Set VCOMH Deselect Level (DBh) 10.1.20 NOP (E3h) 10.1.21 Status register Read 10.1.22 Charge Pump Setting (8Dh) 10.2 Graphic Acceleration Command 10.2.1 Horizontal Scroll Setup (26h/27h) 10.2.2 Continuous Vertical and Horizontal Scroll Setup (29h/2Ah) 10.2.3 Deactivate Scroll (2Eh) 10.2.4 Activate Scroll (2Fh) 10.2.5 Set Vertical Scroll Area(A3h) 10.3 Advance Graphic Command 10.3.1 Set Fade Out and Blinking (23h) 10.3.2 Set Zoom In (D6h) 11 MAXIMUM RATINGS 12 DC CHARACTERISTICS 13 AC CHARACTERISTICS 14 Application Example 15 PACKAGE INFORMATION 15.1 SSD1306TR1 Detail Dimension 15.2 SSD1306Z2 Die Tray Information