Datasheet LT3083 (Analog Devices) - 21

ManufacturerAnalog Devices
DescriptionAdjustable 3A Single Resistor Low Dropout Regulator
Pages / Page28 / 21 — TYPICAL APPLICATIONS. Low Voltage, High Current Adjustable High …
RevisionB
File Format / SizePDF / 1.1 Mb
Document LanguageEnglish

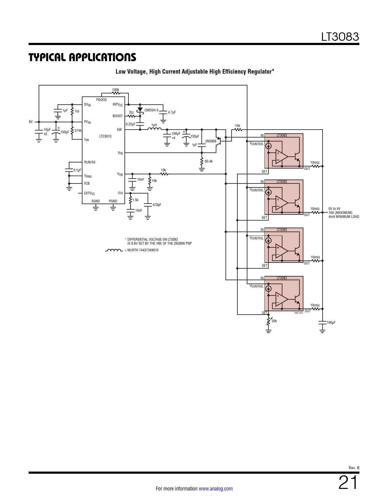
TYPICAL APPLICATIONS. Low Voltage, High Current Adjustable High Efficiency Regulator*

TYPICAL APPLICATIONS Low Voltage, High Current Adjustable High Efficiency Regulator*

Model Line for this Datasheet

Text Version of Document

LT3083
TYPICAL APPLICATIONS Low Voltage, High Current Adjustable High Efficiency Regulator*
100k PGOOD SVIN INTVCC 1µF 1Ω 2Ω CMDSH-3 4.7µF BOOST 8V PVIN 0.22µF 1µH 10k 10µF 274k SW 150µF x3 100µF LTC3610 IN LT3083 ×4 150µF ION 2N3906 1µF VCONTROL VFB 60.4k RUN/SS 10mΩ 0.1µF 10k OUT SET V V RNG ON 10nF 10k FCB IN LT3083 VCONTROL EXTVCC ITH 1.5k SGND PGND 470pF 10nF 10mΩ 0V to 4V 10A (MAXIMUM) OUT SET 4mA MINIMUM LOAD IN LT3083 VCONTROL * DIFFERENTIAL VOLTAGE ON LT3083 IS 0.6V SET BY THE VBE OF THE 2N3906 PNP = WURTH 74437349010 10mΩ OUT SET IN LT3083 VCONTROL 10mΩ SET OUT 3083 TA13 20k 100µF Rev. B For more information www.analog.com 21 Document Outline Features Applications Typical Application Description Absolute Maximum Ratings Pin Configuration Order Information Electrical Characteristics Pin Functions Block Diagram Applications Information Typical Applications Package Description Revision History Typical Application Related Parts