Datasheet LTC3722-1, LTC3722-2 (Analog Devices) - 9
| Manufacturer | Analog Devices |
| Description | Synchronous Dual Mode Phase Modulated Full Bridge Controllers |
| Pages / Page | 28 / 9 — BLOCK DIAGRAM. LTC3722-2 Voltage Mode SYNC Phase-Shift PWM |
| Revision | C |
| File Format / Size | PDF / 607 Kb |
| Document Language | English |
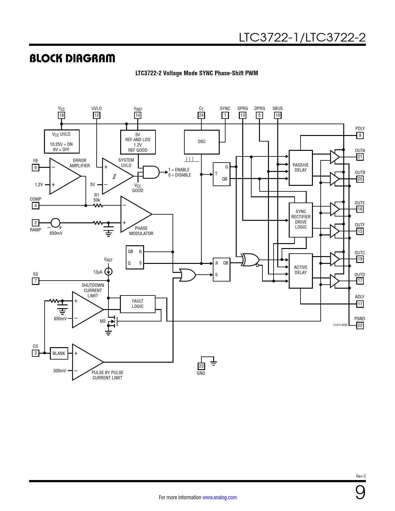
BLOCK DIAGRAM. LTC3722-2 Voltage Mode SYNC Phase-Shift PWM

Model Line for this Datasheet
Text Version of Document
LTC3722-1/LTC3722-2
BLOCK DIAGRAM LTC3722-2 Voltage Mode SYNC Phase-Shift PWM
VCC UVLO VREF CT SYNC SPRG DPRG SBUS 18 12 14 24 1 13 5 10 PDLY VCC UVLO 5V 9 REF AND LDO OSC 10.25V = ON 1.2V 6V = OFF REF GOOD OUTA 21 FB – ERROR + SYSTEM 6 AMPLIFIER UVLO PASSIVE Q 1 = ENABLE DELAY OUTB 0 = DISABLE T + – QB 20 1.2V 5V VCC GOOD R1 COMP 50k – OUTE 4 16 SYNC + RECTIFIER 2 DRIVE OUTF – + RAMP PHASE LOGIC 15 650mV MODULATOR QB R OUTC V 19 REF Q S R QB ACTIVE SS 12µA S DELAY OUTD 7 17 SHUTDOWN CURRENT LIMIT ADLY + FAULT 11 LOGIC 650mV – PGND M2 372212 BD02 22 CS 3 BLANK + 23 300mV – PULSE BY PULSE GND CURRENT LIMIT Rev C For more information www.analog.com 9 Document Outline Features Applications Description Typical Application Absolute Maximum Ratings Pin Configuration Order Information Electrical Characteristics Typical Performance Characteristics Pin Functions Block Diagram Timing Diagram Operation Revision History Typical application Related Parts