Datasheet LTM4668 (Analog Devices) - 6
| Manufacturer | Analog Devices |
| Description | Quad DC/DC µModule Regulator with Configurable 1.2A Output Array |
| Pages / Page | 22 / 6 — BLOCK DIAGRAM |
| Revision | A |
| File Format / Size | PDF / 2.1 Mb |
| Document Language | English |
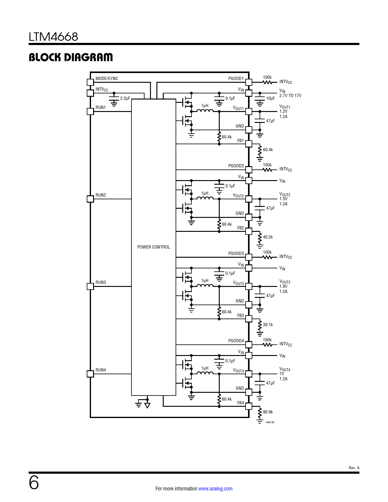
BLOCK DIAGRAM

Model Line for this Datasheet
Text Version of Document
LTM4668
BLOCK DIAGRAM
MODE/SYNC PGOOD1 100k INTVCC INTVCC VIN VIN 2.7V TO 17V 2.2µF 0.1µF 10µF 1µH RUN1 V V OUT1 OUT1 1.2V 1.2A 47µF GND 60.4k FB1 60.4k PGOOD2 100k INTVCC VIN VIN 0.1µF 1µH RUN2 V V OUT2 OUT2 1.5V 1.2A 47µF GND 60.4k FB2 40.2k POWER CONTROL PGOOD3 100k INTVCC VIN VIN 0.1µF 1µH RUN3 V V OUT3 OUT3 1.8V 1.2A 47µF GND 60.4k FB3 30.1k PGOOD4 100k INTVCC VIN VIN 0.1µF 1µH RUN4 V V OUT4 OUT4 1V 1.2A 47µF GND 60.4k FB4 90.9k 4668 BD Rev. A 6 For more information www.analog.com Document Outline Features Applications Typical Application Description Absolute Maximum Ratings Order Information Electrical Characteristics Pin Configuration Electrical Characteristics Typical Performance Characteristics Pin Functions Block Diagram Decoupling Requirements Operation Applications Information Package Description Revision History Package Photo Design Resources Related Parts