Datasheet RV1S9353A (Renesas) - 8
| Manufacturer | Renesas |
| Description | Optically Isolated Delta-Sigma Modulator |
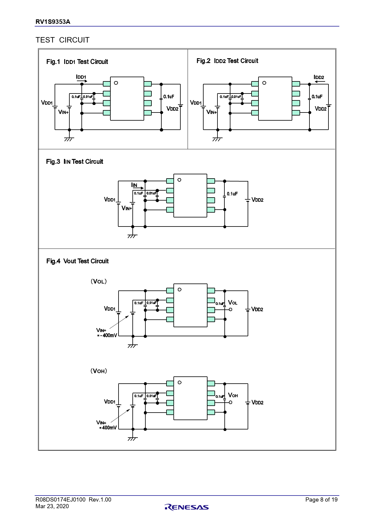
| Pages / Page | 20 / 8 — RV1S9353A. Chapter. Title. TEST. CIRCUIT. (VOL). (VOH). R08DS0174EJ0100. … |
| File Format / Size | PDF / 1.8 Mb |
| Document Language | English |
RV1S9353A. Chapter. Title. TEST. CIRCUIT. (VOL). (VOH). R08DS0174EJ0100. Rev.1.00. Page. 8. of. 19. Mar. 23,. 2020

Model Line for this Datasheet
Text Version of Document
RV1S9353A Chapter Title TEST CIRCUIT (VOL) (VOH) R08DS0174EJ0100 Rev.1.00 Page 8 of 19 Mar 23, 2020