Datasheet AD8233 (Analog Devices) - 31

ManufacturerAnalog Devices
Description50 μA, 2 mm × 1.7 mm WLCSP, Low Noise, Heart Rate Monitor for Wearable Products
Pages / Page32 / 31 — Data Sheet. AD8233. OUTLINE DIMENSIONS. 2.080 2.040. BOTTOM VIEW. 2.000. …
RevisionD
File Format / SizePDF / 706 Kb
Document LanguageEnglish

Data Sheet. AD8233. OUTLINE DIMENSIONS. 2.080 2.040. BOTTOM VIEW. 2.000. (BALL SIDE UP). BALL A1. IDENTIFIER. 1.745. 1.20. REF. 1.705 1.665. 0.40

Data Sheet AD8233 OUTLINE DIMENSIONS 2.080 2.040 BOTTOM VIEW 2.000 (BALL SIDE UP) BALL A1 IDENTIFIER 1.745 1.20 REF 1.705 1.665 0.40

Model Line for this Datasheet

Text Version of Document

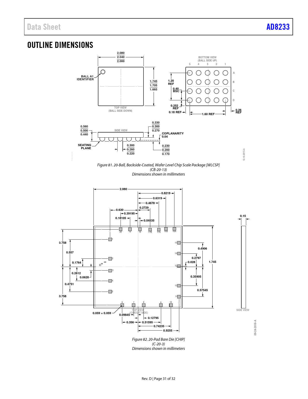
Data Sheet AD8233 OUTLINE DIMENSIONS 2.080 2.040 BOTTOM VIEW 2.000 (BALL SIDE UP) 5 4 3 2 1 A BALL A1 IDENTIFIER 1.745 1.20 B REF 1.705 1.665 0.40 BSC C D 0.252 TOP VIEW REF (BALL SIDE DOWN) 0.26 0.18 REF REF 1.60 REF 0.330 0.560 0.300 0.500 SIDE VIEW 0.270 0.440 COPLANARITY 0.04 SEATING 0.300 0.230 PLANE 0.260 0.200 A 0.220 0.170 2015- -003315 10- G K P 12-
Figure 81. 20-Ball, Backside-Coated, Wafer Level Chip Scale Package [WLCSP] (CB-20-13) Dimensions shown in millimeters
2.080 0.8219 0.6319 0.4678 0.2729 0.630 0.39195 0.15 0.18105 0.04535 20 19 18 16B 16A 17B 17A 1 0.758 15 0.4906 0.557 14 2 0.2797 0.028 1.745 0.1764 13 3 0.2612 0.0628 0.35905 4 0.4751 12 0.57545 5 0.758 11 6 7 8 9 10 TOP VIEW SIDE VIEW (CIRCUIT SIDE) 0.059 × 0.059 0.09845 0.12795 A 0.356 0.51595 0.74235 2018- 0.9255 24- 09-
Figure 82. 20-Pad Bare Die [CHIP] (C-20-3) Dimensions shown in millimeters Rev. D | Page 31 of 32 Document Outline FEATURES APPLICATIONS GENERAL DESCRIPTION FUNCTIONAL BLOCK DIAGRAM TABLE OF CONTENTS REVISION HISTORY SPECIFICATIONS ABSOLUTE MAXIMUM RATINGS THERMAL RESISTANCE ESD CAUTION PIN CONFIGURATIONS AND FUNCTION DESCRIPTIONS TYPICAL PERFORMANCE CHARACTERISTICS INSTRUMENTATION AMPLIFIER PERFORMANCE CHARACTERISTICS OPERATIONAL AMPLIFIER PERFORMANCE CHARACTERISTICS RLD AMPLIFIER PERFORMANCE CHARACTERISTICS REFERENCE BUFFER PERFORMANCE CHARACTERISTICS SYSTEM PERFORMANCE CHARACTERISTICS THEORY OF OPERATION ARCHITECTURE OVERVIEW INSTRUMENTATION AMPLIFIER OPERATIONAL AMPLIFIER RLD AMPLIFIER REFERENCE BUFFER FAST RESTORE CIRCUIT LEADS ON OR OFF DETECTION DC Leads On or Off Detection AC Leads On or Off Detection STANDBY OPERATION INPUT PROTECTION RADIO FREQUENCY INTERFERENCE POWER SUPPLY REGULATION AND BYPASSING INPUT REFERRED OFFSETS LAYOUT RECOMMENDATIONS APPLICATION INFORMATION ELIMINATING ELECTRODE OFFSETS HIGH-PASS FILTERING Two-Pole High-Pass Filter Additional High-Pass Filtering Options LOW-PASS FILTERING AND GAIN Driving ADCs DRIVEN ELECTRODE MEASURING SURFACE ELECTROMYOGRAPHY (EMG) OR ELECTROENCEPHALOGRAPHY (EEG) APPLICATION CIRCUITS Heart Rate Measurement (HRM) Next to the Heart Exercise Application, HRM at the Hands Holter Monitor Configuration Portable Heart Rate and Activity Monitor System Synchronous ECG and Photoplethysmography (PPG) Measurement Using Transimpedance Amplifier (TIA) ADC Mode Using the ADPD1080 USING AD5940, AD8232, AND AD8233 FOR BIOIMPEDANCE AND ELECTROCARDIOGRAM (ECG) MEASUREMENTS DIE INFORMATION OUTLINE DIMENSIONS ORDERING GUIDE