Datasheet PA22 (Apex) - 2
| Manufacturer | Apex | 
| Description | High Voltage Power Operational Amplifiers | 
| Pages / Page | 14 / 2 — PA22. Figure 1: Equivalent Schematic. +VS. TMPH. R41. CC1. CC2. ILIM. … | 
| File Format / Size | PDF / 3.1 Mb | 
| Document Language | English | 
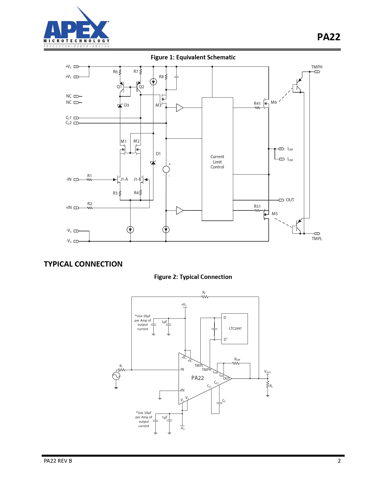
PA22. Figure 1: Equivalent Schematic. +VS. TMPH. R41. CC1. CC2. ILIM. Current. Limit. Control. -IN. J1-A. J1-B. OUT. +IN. R51. -VS. TMPL. TYPICAL CONNECTION

Model Line for this Datasheet
Text Version of Document
PA22 Figure 1: Equivalent Schematic
14
+VS TMPH R6 R7 13
15
+VS R8 Q1 Q2
6
NC
7
NC M6 R41 D3 M3
3
CC1
4
CC2 M1 M2 10 ILIM D1 Current 11 Limit ILIM + Control R1 -
1
-IN J1-A J1-B R3 R4 7 OUT R2 +IN
2
R51 M5
8
-VS 12 -V TMPL
9
S TYPICAL CONNECTION Figure 2: Typical Connection RF +VS
*Use 10ʅF
D-
per Amp of
1μF
output current
LTC2997 D+ +Vs RLIM +Vs RI TMPL -IN TMPH + ILIM VOUT ILIM PA22 OUT - CC2 CC1 RL +IN -V -Vs s CC
*Use 10ʅF per Amp of
1μF
output current
-VS
PA22 REV B 2 Document Outline Features Applications Description Figure 1: Equivalent Schematic Typical Connection Figure 2: Typical Connection Pinout and Description Table Figure 3: External Connections Specifications Absolute Maximum Ratings Input Gain Output Power Supply Thermal Figure 14: Temp Sense vs Time General Safe operating area (SOA) Figure 15: Safe Operating Area (SOA) typical application Figure 16: Typical Application Schematic current limit overvoltage protection Figure 17: Overvoltage Protection power supply bypassing phase Compensation Temperature Sense Package Options Package Outline (Style LL)