Datasheet VEMD4110X01 (Vishay) - 5

ManufacturerVishay
DescriptionSilicon PIN Photodiode
Pages / Page7 / 5 — VEMD4110X01. BLISTER TAPE DIMENSIONS
File Format / SizePDF / 143 Kb
Document LanguageEnglish

VEMD4110X01. BLISTER TAPE DIMENSIONS

VEMD4110X01 BLISTER TAPE DIMENSIONS

Model Line for this Datasheet

Text Version of Document

VEMD4110X01
www.vishay.com Vishay Semiconductors
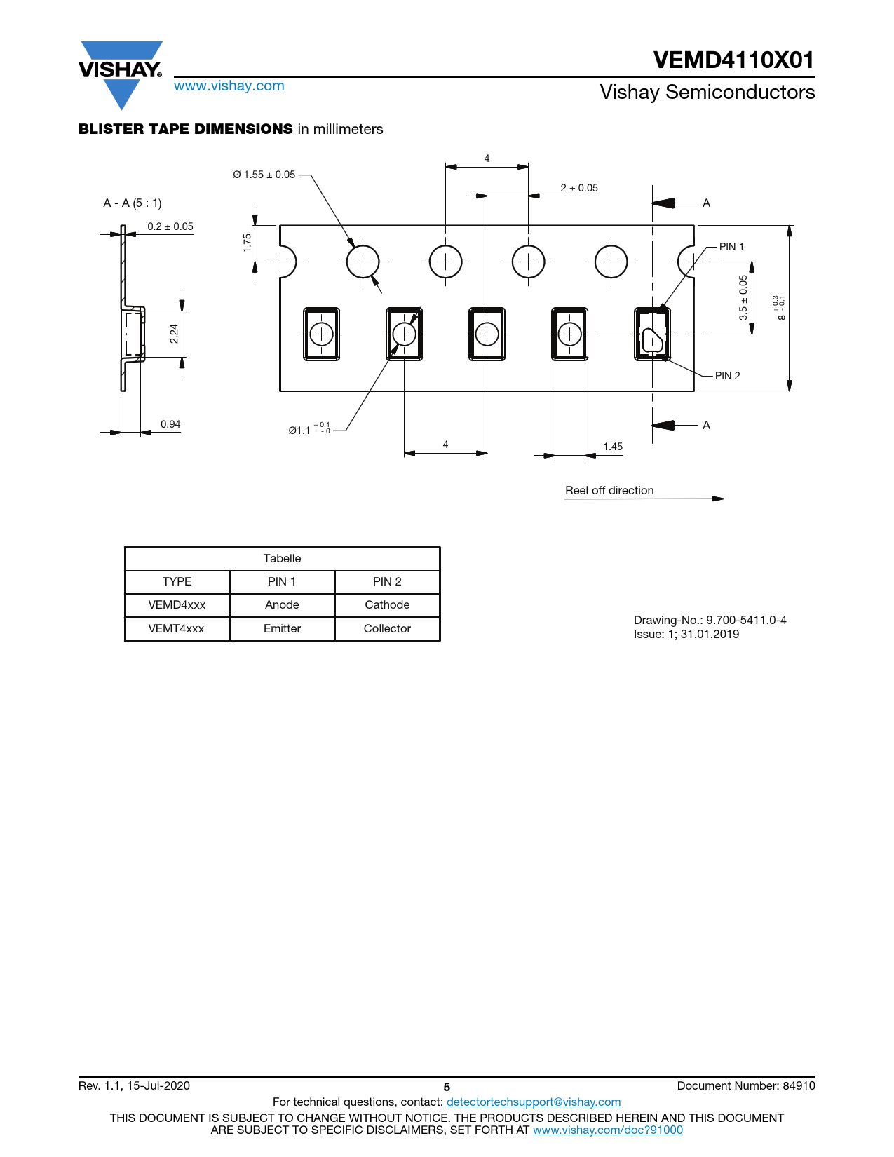
BLISTER TAPE DIMENSIONS
in millimeters 4 Ø 1.55 ± 0.05 2 ± 0.05 A - A (5 : 1) A 0.2 ± 0.05 PIN 1 1.75 + 0.3 - 0.1 3.5 ± 0.05 8 2.24 PIN 2 0.94 + 0.1 A Ø1.1 - 0 4 1.45 Reel off direction Tabelle TYPE PIN 1 PIN 2 VEMD4xxx Anode Cathode Drawing-No.: 9.700-5411.0-4 VEMT4xxx Emitter Collector Issue: 1; 31.01.2019 Rev. 1.1, 15-Jul-2020
5
Document Number: 84910 For technical questions, contact: detectortechsupport@vishay.com THIS DOCUMENT IS SUBJECT TO CHANGE WITHOUT NOTICE. THE PRODUCTS DESCRIBED HEREIN AND THIS DOCUMENT ARE SUBJECT TO SPECIFIC DISCLAIMERS, SET FORTH AT www.vishay.com/doc?91000