Datasheet PS508, PS509 (Diodes) - 9

ManufacturerDiodes
DescriptionPrecision 8-Channels, Differential 4-Channels, 36V Analog Multiplexers
Pages / Page15 / 9 — PS508/PS509. Test Circuit. Figure 1. On-Resistance Measurement Setup. …
File Format / SizePDF / 2.4 Mb
Document LanguageEnglish

PS508/PS509. Test Circuit. Figure 1. On-Resistance Measurement Setup. Figure 2. Off-Leakage Measurement Setup

PS508/PS509 Test Circuit Figure 1 On-Resistance Measurement Setup Figure 2 Off-Leakage Measurement Setup

Model Line for this Datasheet

Text Version of Document

A product Line of Diodes Incorporated
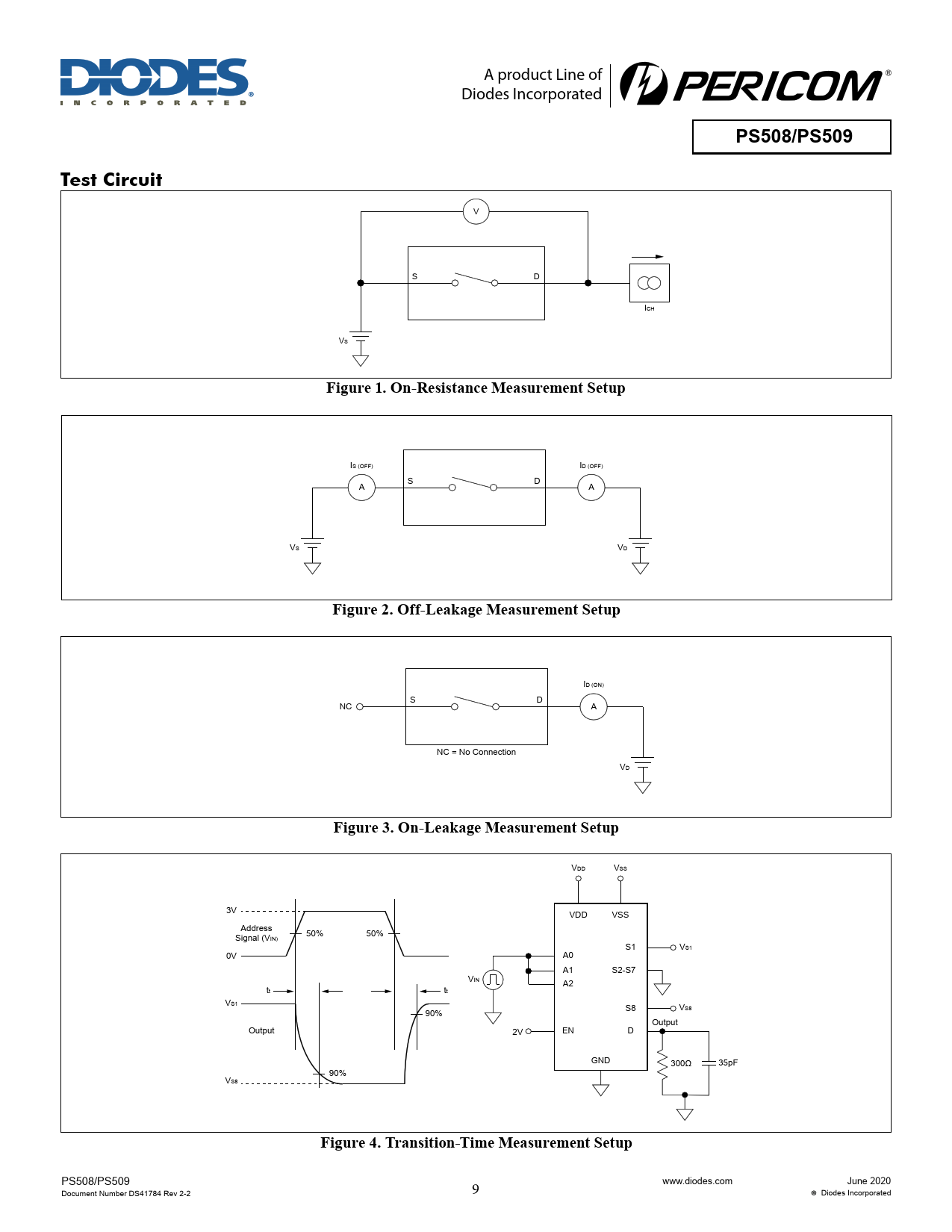
PS508/PS509 Test Circuit
V S D ICH VS
Figure 1. On-Resistance Measurement Setup
IS (OFF) ID (OFF) S D A A VS VD
Figure 2. Off-Leakage Measurement Setup
ID (ON) S D NC A NC = No Connection VD
Figure 3. On-Leakage Measurement Setup
VDD VSS 3V VDD VSS Address Signal (V 50% 50% IN) S1 VS1 0V A0 A1 S2-S7 VIN A2 tt tt VS1 S8 VS8 90% Output Output 2V EN D GND 300Ω 35pF 90% VS8
Figure 4. Transition-Time Measurement Setup
PS508/PS509 Document Number DS41784 Rev 2-2 9 www.diodes.com June 2020 Diodes Incorporated