Datasheet LTC3871, LTC3871-1 (Analog Devices) - 10
| Manufacturer | Analog Devices |
| Description | Bidirectional PolyPhase Synchronous Buck or Boost Controller |
| Pages / Page | 36 / 10 — BLOCK DIAGRAM. Bidirectional Controller with Current Programming and … |
| Revision | B |
| File Format / Size | PDF / 1.6 Mb |
| Document Language | English |
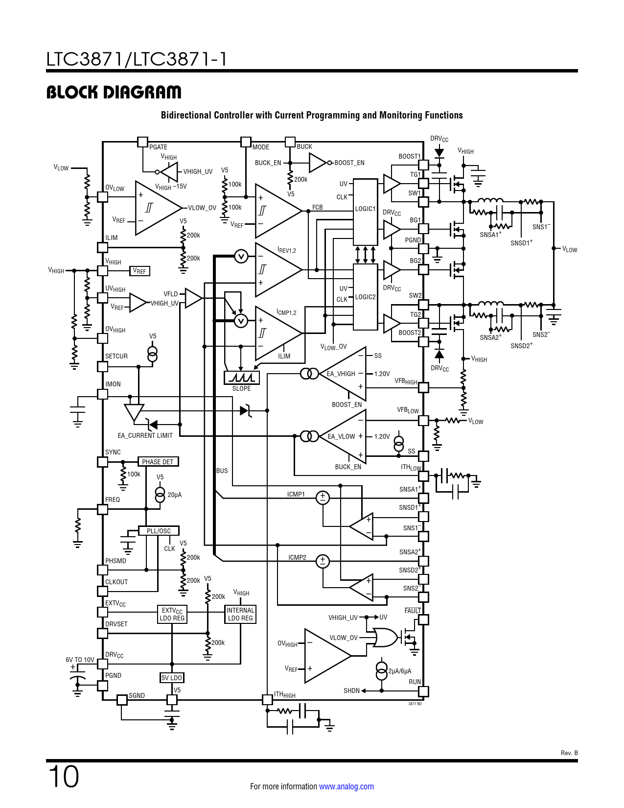
BLOCK DIAGRAM. Bidirectional Controller with Current Programming and Monitoring Functions

Model Line for this Datasheet
Text Version of Document
LTC3871/LTC3871-1
BLOCK DIAGRAM Bidirectional Controller with Current Programming and Monitoring Functions
DRVCC PGATE MODE BUCK VHIGH VHIGH BOOST1 V BUCK_EN BOOST_EN LOW VHIGH_UV V5 TG1 200k OV 100k UV LOW V + HIGH –15V + V5 CLK SW1 VLOW_OV 100k FCB LOGIC1 DRVCC VREF – V5 V BG1 REF – SNS1– ILIM 200k SNSA1+ PGND SNSD1+ – IREV1,2 VLOW V 200k HIGH BG2 VHIGH VREF + UVHIGH UV DRVCC VFLD LOGIC2 SW2 VHIGH_UV CLK VREF ICMP1,2 + TG2 OVHIGH BOOST2 V5 SNSA2+ SNS2– – VLOW_OV – SNSD2+ SETCUR ILIM SS VHIGH – DRVCC EA_VHIGH 1.20V IMON + VFBHIGH SLOPE BOOST_EN – VFBLOW VLOW + EA_CURRENT LIMIT EA_VLOW 1.20V SYNC + SS PHASE DET BUCK_EN ITHLOW 100k BUS V5 SNSA1+ 20µA ICMP1 + FREQ – SNSD1+ + PLL/OSC – SNS1– V5 CLK SNSA2+ PHSMD 200k ICMP2 +– SNSD2+ CLKOUT V5 200k + V SNS2– HIGH 200k – EXTVCC EXTVCC INTERNAL FAULT LDO REG LDO REG VHIGH_UV UV DRVSET – VLOW_OV 200k OVHIGH DRVCC 6V TO 10V + + VREF 2µA/6µA PGND 5V LDO RUN V5 SGND ITH SHDN HIGH 3871 BD Rev. B 10 For more information www.analog.com Document Outline Features Applications Typical Application Description Absolute Maximum Ratings Order Information Pin Configuration Electrical Characteristics Typical Performance Characteristics Pin Functions Block Diagram Operation Applications Information Package Description Revision History Typical Application Related Parts