Datasheet LTC3890 (Analog Devices) - 10

ManufacturerAnalog Devices
Description60V Low IQ, Dual, 2-Phase Synchronous Step-Down DC/DC Controller
Pages / Page40 / 10 — FUNCTIONAL DIAGRAM
RevisionD
File Format / SizePDF / 805 Kb
Document LanguageEnglish

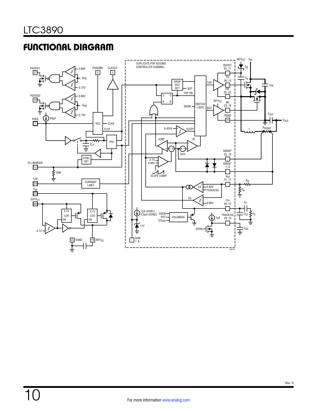
FUNCTIONAL DIAGRAM

FUNCTIONAL DIAGRAM

Model Line for this Datasheet

Text Version of Document

LTC3890
FUNCTIONAL DIAGRAM
INTVCC VIN DUPLICATE FOR SECOND BOOST + CONTROLLER CHANNEL PGOOD1 0.88V PHASMD 24, 17 DB CLKOUT 27 – 3 4 V TG FB1 C + 26, 15 B DROP TOP OUT C – IN 0.72V DET BOT SW 25, 16 TOP ON + PGOOD2 S Q 0.88V 14 – INTV R Q CC BG V SWITCH FB2 23, 18 SHDN + LOGIC BOT – C 0.72V PGND OUT FREQ 20µA 21 VOUT 2 VCO CLK2 + R CLK1 0.425V SENSE SLEEP L – ICMP IR – PFD + CLP + – – + + – SENSE+ 3mV 32, 10 SYNC 2.7V PLLIN/MODE DET 0.65V SENSE– 5 1, 9 100k SLOPE COMP VFB ILIM 31, 11 CURRENT + RB 28 LIMIT EA – 0.80V VIN TRACK/SS RA 22 + EXTV OV CC – ITH 0.88V CC 20 30, 12 5.1V 5.1V 7µA (RUN1) 0.5µA (RUN2) SHDN C LDO LDO TRACK/SS C2 RC RST FOLDBACK 1µA 29, 13 EN EN 2(VFB) + 11V – SHDN CSS 4.7V RUN 33 SGND 19 INTVCC 7, 8 3890 FD Rev. D 10 For more information www.analog.com Document Outline Features Applications Typical Application Description Absolute Maximum Ratings Order Information Pin Configuration Electrical Characteristics Typical Performance Characteristics Pin Functions Functional Diagram Operation Applications Information Typical Applications Package Description Revision History Typical Application Related Parts