Datasheet TB9053FTG,TB9054FTG - Preliminary (Toshiba) - 3
| Manufacturer | Toshiba |
| Description | Bi-CMOS Linear Integrated Circuit, Silicon Monolithic |
| Pages / Page | 36 / 3 — Preliminary. 4. Block diagram. Figure 4.1 Block diagram |
| File Format / Size | PDF / 2.2 Mb |
| Document Language | English |
Preliminary. 4. Block diagram. Figure 4.1 Block diagram

Model Line for this Datasheet
Text Version of Document
Preliminary
TB9053FTG,TB9054FTG
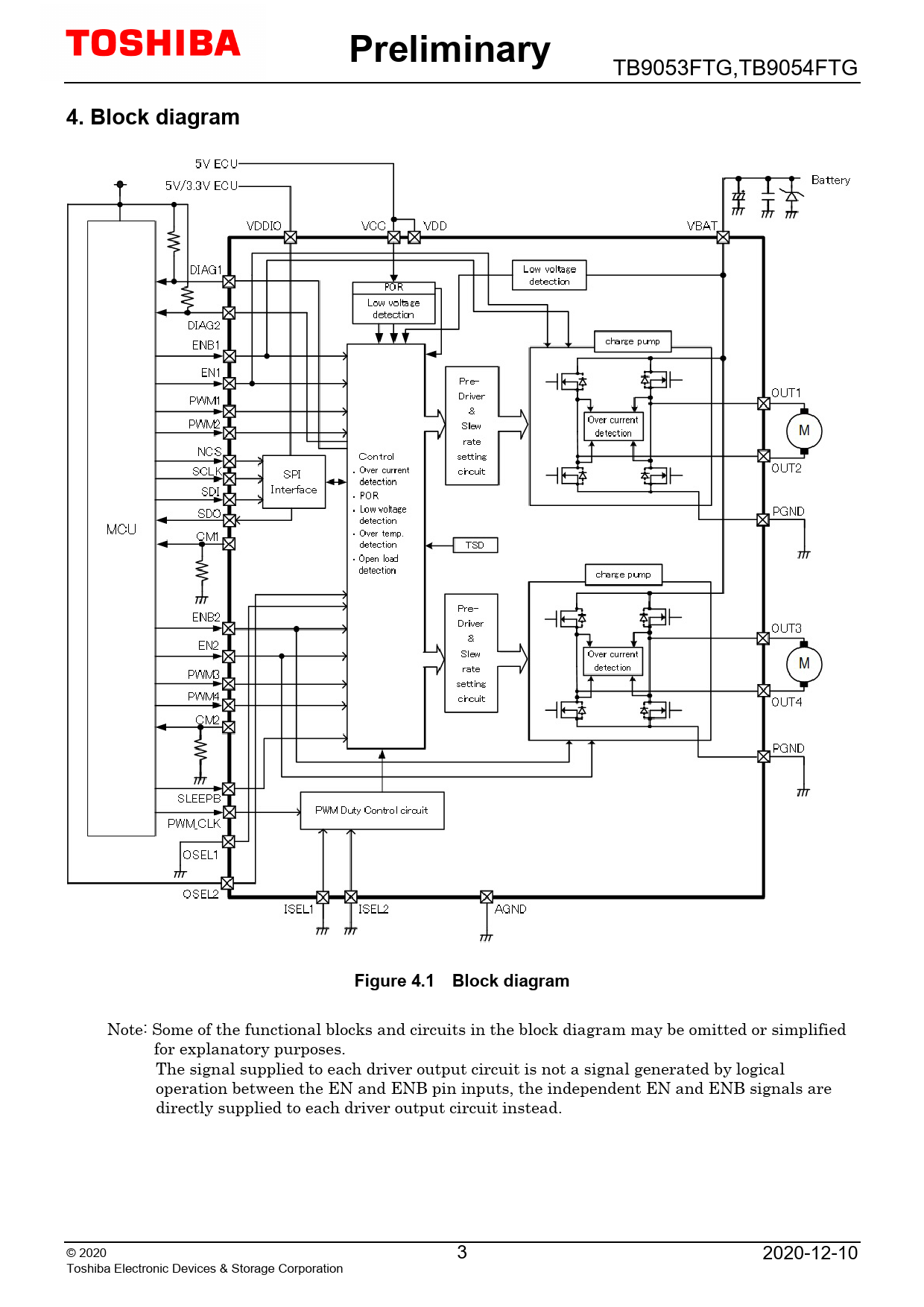
4. Block diagram Figure 4.1 Block diagram
Note: Some of the functional blocks and circuits in the block diagram may be omitted or simplified for explanatory purposes. The signal supplied to each driver output circuit is not a signal generated by logical operation between the EN and ENB pin inputs, the independent EN and ENB signals are directly supplied to each driver output circuit instead. © 20 20 3 2020-12-10 Toshiba Electronic Devices & Storage Corporation