Datasheet ACS756xCB (Allegro) - 3

ManufacturerAllegro
DescriptionFully Integrated, Hall Effect-Based Linear Current Sensor IC with 3 kVRMS Voltage Isolation and a Low-Resistance Current Conductor
Pages / Page12 / 3 — Fully Integrated, Hall-Effect-Based Linear Current Sensor IC
File Format / SizePDF / 837 Kb
Document LanguageEnglish

Fully Integrated, Hall-Effect-Based Linear Current Sensor IC

Fully Integrated, Hall-Effect-Based Linear Current Sensor IC

Model Line for this Datasheet

Text Version of Document

Fully Integrated, Hall-Effect-Based Linear Current Sensor IC ACS756xCB with 3 kVRMS Voltage Isolation and a Low-Resistance Current Conductor
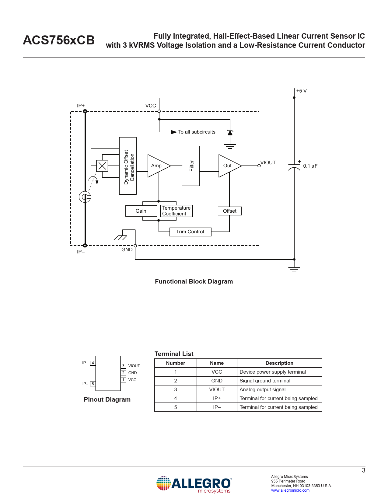
+5 V IP+ VCC To all subcircuits fset Amp Out VIOUT 0.1 µF Filter Dynamic Of Cancellation Gain Temperature Coefficient Offset Trim Control GND IP–
Functional Block Diagram Terminal List
IP+ 4
Number Name Description
3 VIOUT 2 GND 1 VCC Device power supply terminal 1 VCC 2 GND Signal ground terminal IP– 5 3 VIOUT Analog output signal 4 IP+ Terminal for current being sampled
Pinout Diagram
5 IP– Terminal for current being sampled 3 Allegro MicroSystems 955 Perimeter Road Manchester, NH 03103-3353 U.S.A. www.allegromicro.com