Datasheet 1ED34x1Mc12M (1ED-X3 Analog) (Infineon) - 5
| Manufacturer | Infineon |
| Description | EiceDRIVER/ 1ED34x1Mc12M Enhanced. Single-channel isolated gate driver IC with adjustable DESAT and soft-off |
| Pages / Page | 45 / 5 — EiceDRIVER™ 1ED34x1Mc12M Enhanced. Datasheet. 1 Block diagram. Block … |
| Revision | 02_00 |
| File Format / Size | PDF / 733 Kb |
| Document Language | English |
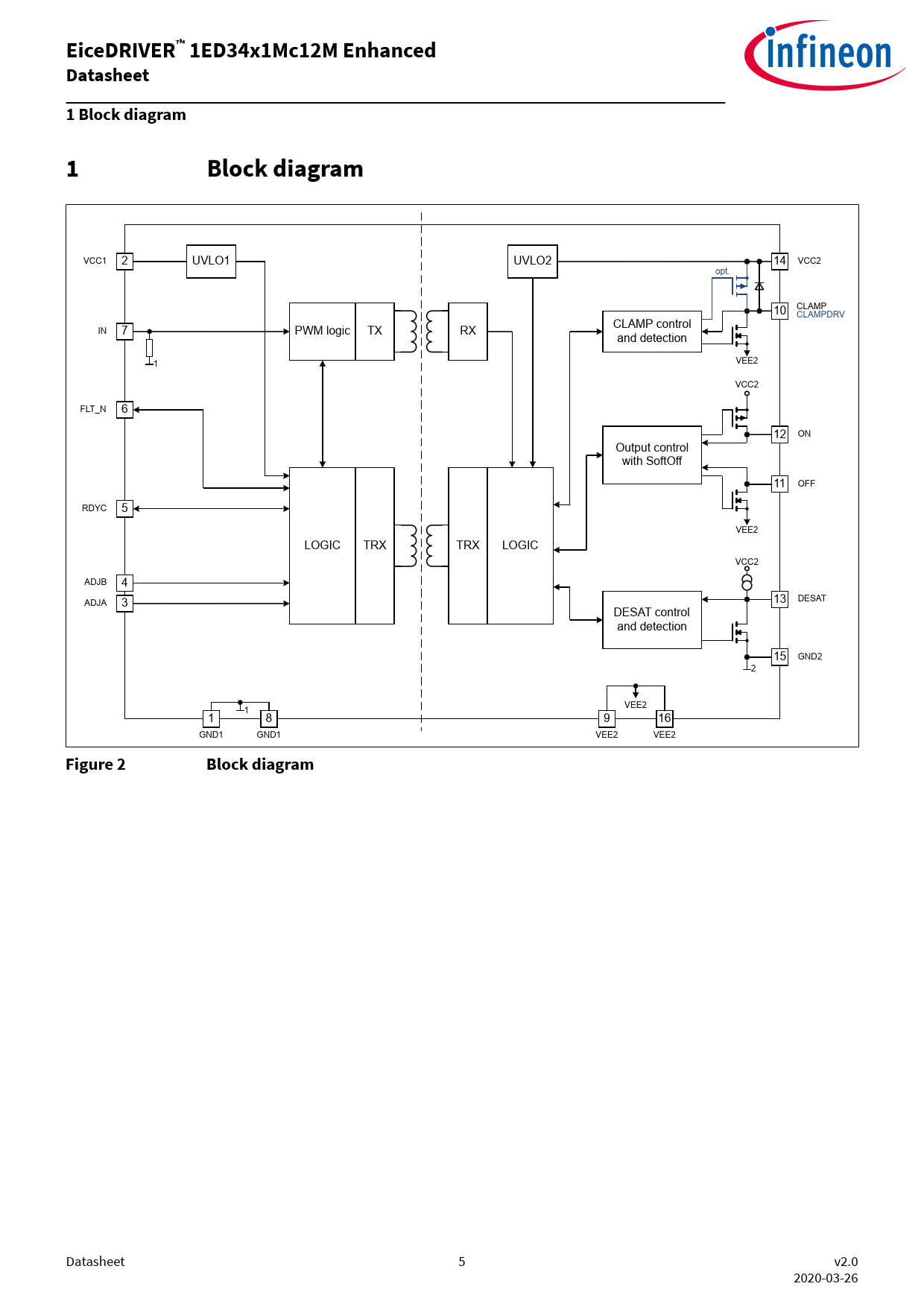
EiceDRIVER™ 1ED34x1Mc12M Enhanced. Datasheet. 1 Block diagram. Block diagram. Figure 2

Model Line for this Datasheet
Text Version of Document
EiceDRIVER™ 1ED34x1Mc12M Enhanced Datasheet 1 Block diagram 1 Block diagram
VCC1 2 UVLO1 UVLO2 14 VCC2 opt. 10 CLAMP CLAMPDRV CLAMP control IN 7 PWM logic TX RX and detection 1 VEE2 VCC2 FLT_N 6 12 ON Output control with SoftOff 11 OFF RDYC 5 VEE2 LOGIC TRX TRX LOGIC VCC2 ADJB 4 ADJA 3 13 DESAT DESAT control and detection 15 GND2 2 VEE2 1 1 8 9 16 GND1 GND1 VEE2 VEE2
Figure 2 Block diagram
Datasheet 5 v2.0 2020-03-26 Document Outline Table of contents 1 Block diagram 2 Related products 3 Pin configuration and functionality 3.1 Pin configuration 3.2 Pin functionality 4 Functional description 4.1 Start-up and fault clearing 4.2 Supply 4.2.1 Input side undervoltage lockout, VCC1 UVLO 4.2.2 Output side under-voltage lockout, VCC2 UVLO 4.3 Input side logic 4.3.1 IN non-inverting driver input 4.3.2 RDYC ready status output, fault-off and fault clear input 4.3.2.1 RDYC fault-off input 4.3.2.2 RDYC fault clear input 4.3.3 FLT_N status output and fault-off input 4.3.3.1 FLT_N fault-off input 4.4 Desaturation protection 4.4.1 DESAT behavior 4.4.2 DESAT filter and leading edge blanking time adjustment with ADJB 4.5 Gate driver output 4.5.1 Turn-on behavior 4.5.2 Turn-off and fault turn-off behavior 4.5.2.1 Hard switching turn-off 4.5.2.2 Soft turn-off 4.5.2.2.1 Soft-off current source adjustment with ADJA 4.5.3 Active shut-down 4.5.4 Active Miller clamp 4.5.4.1 CLAMP output types 4.5.5 Switch-off timeout until forced switch-off 4.6 Short circuit clamping 5 Electrical parameters 5.1 Absolute maximum ratings 5.2 Thermal parameters 5.3 Operating parameters 5.4 Electrical characteristics 5.4.1 Voltage supply 5.4.2 Logic input and output 5.4.3 Analog input 5.4.4 Gate driver 5.4.5 Active Miller clamp 5.4.6 Dynamic characteristics 5.4.7 Desaturation protection 5.4.8 Soft-off current source 5.4.9 Over-temperature protection 6 Insulation characteristics 6.1 Certified according to VDE 0884-11 and IEC 60747-17 reinforced insulation (planned) 6.2 Recognized under UL 1577 (planned) 6.3 Reliability 7 Package information 8 Application notes 8.1 Reference layout for thermal data 8.2 Printed circuit board guidelines Revision history Disclaimer